Free Printables Online
Toyotum Surf Wiring
split unit wiring diagram
simple burndown chart excel template
section 1031 exchange worksheet
sample contract addendum template
sixth grade worksheets
study timetable template excel
staffing schedule weekly employee shift schedule template excel
star delta starter control circuit diagram pdf download
Hilux Surf Wiring Diagram Ln130 Wiring Hilux Surf 4runner
Dowloads Articles
Dowloads Articles
Back Window Wiring Diagram Hilux Surf 4runner Forum
Dowloads Articles
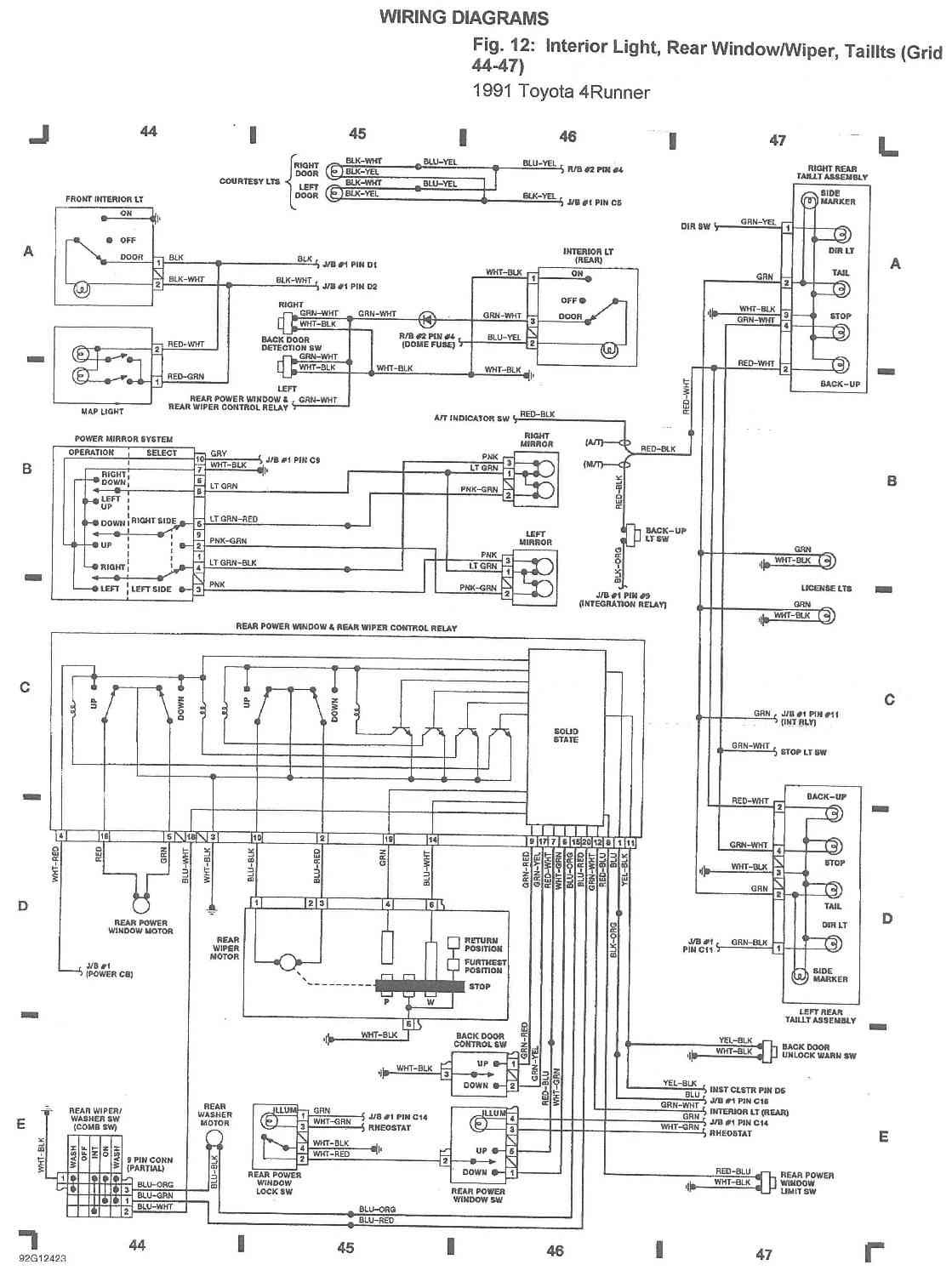
Toyota Surf Wiring Schematics Online
Dowloads Articles
Dowloads Articles
Toyota Surf Ln130 2l Te Diesel P G Motors
Toyota Hilux Surf 4runner 3 0l Turbo Diesel Engine 4wd Mt
Jdm Toyota 1kz Hilux Surf 4runner 3 0l 1kzte Turbo Diesel 4wd Manual Ecu Wiring
Help 3l Wont Start Hilux Surf 4runner Forum
Toyota Hilux Surf 4runner 2 0l Turbo Diesel Engine 4wd Mt
Hilux Surf Wiring Harness Loom Engine Engine Parts
Hilux Surf Field Monitor Installed In A 3rd Gen Write Up
Toyota Hilux Surf 4runner 2 0l Turbo Diesel Engine 4wd Mt
Wiring For Rear Fog Lights Black Box Hilux Surf
1996 Kzn185 Hilux Surf Ecu Pinouts With A Manual
Hilux Surf Wiring Diagram Schematics Online
1990 Surf 4runner 2 4lt Turbo Diesel 2l T Glow Plug Circuit
Hilux Wiring I Need The Color Code For The Wires On The Air
Source :
pinterest.com
Popular Posts
Student Athlete Contract Template
Sample Film Production Budget
Small Business Income Statement And Balance Sheet Template
Skip Counting Worksheets 2 5 10
Root Cause Analysis Form Sample
Sample Ach Payment Authorization Form
Sports Schedule Template
Stop Light Wire Diagram Gmc
Sample Hipaa Authorization Form For Family Members
Service Cancellation Letter Template
Sports Flyer Template Free
Subaru Outback Fuse Box Cover
Sample Wedding Budget List
Shift Change Handover Template
Service Contract Template Uk Free
Schematic For 2000 Harley Sportster
Rj45 Wiring Diagram Wikipedium
Speedometer Dashboard Excel Template
Social Media Video Template Free
Sample Example Of Customer Profile
Sample Recommendation For Graduate School
Staples Big Tabs Template
Sample Form For Promissory Note
Subaru Fuse Panel
Snow Way Plow Pump Wiring Diagram
Sample Resignation Letter For Higher Education
Safety In The Laboratory Worksheet Answers
Sample Market Overview Example
Small 1 4 Fuel Filter
Sublet Free Sublease Agreement Template Word
Security Plus Resume
Shipping Contract Template
Sap Org Structure Diagram
Software Deployment Plan Template
Sumo Logic Certification
Summary Dismissal Letter Template
Sample Agenda Format
Subcontractor Template Free
Standard Deviation Worksheet Answers
Simple Job Offer Letter Sample Doc
Self Introduction Introduce Yourself Introduction Email Sample
School Prospectus Template Free Download
Simple Labeled Motherboard Diagram
Sample Partnership Agreement Between Two Companies
Strict Budget Template
Stock Transfer Ledger Template Word
Software Architect Resume Pdf
Sports Motion Graphics Templates
Rgb Wire
Software Incident Report Template
Sukhmani Sahib Path Invitation Cards Templates
Secretary Certificate Philippines
Simplifying Negative Square Roots Worksheet
Ssae 18 Certification
Solaredge Wire Connection Diagram