Vanguard Wiring Diagram

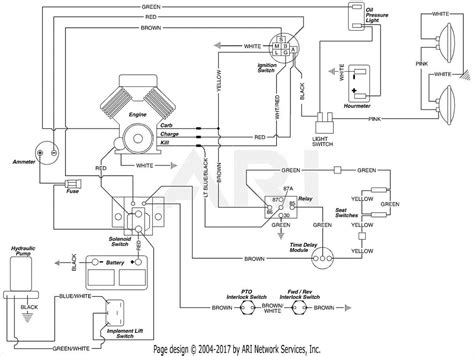
Wiring diagram 16 hp vanguard model 303447 27102018 27102018 6 comments on wiring diagram 16 hp vanguard model 303447 electrical schematics wiring diagrams alternator identification information and more can be found in this vanguard faq.
Vanguard wiring diagram. 6 pin wire harness assembly adapter wire installation guide connect leads as shown per your service part number. In addition to wiring diagrams alternator identification information alternator specifications and procedures for the replacement of an older briggs stratton engine with a newer briggs stratton engine that utilizes a different style alternator output connector are also available in this guide. Service diagnostics vanguard 810 efi big blocktm efi electronic fuel injection briggs stratton customer education. For a more detailed schematic specific to your piece of equipment your best source of.
698330 oe models 400000440000 ohv see also 696576 magnetron armature oil pressure switch fuel solenoid ground alternator system. An adapter wire illustrated may be required when connecting the alternator system. In addition to wiring diagrams alternator identification information alternator specifications and procedures for the replacement of an older briggs stratton engine with a newer briggs stratton engine that utilizes a different style alternator output connector are also available in this guide.