Wiring Diagram For 1986 Ford Thunderbird

I cant find them.
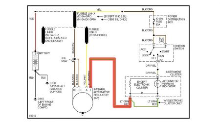
Wiring diagram for 1986 ford thunderbird. Click the register link above to proceed. It will help you to understand connector configurations and locate identify circuits relays and grounds. This is a image galleries about 1986 ford thunderbird wiring diagramyou can also find other images like wiring diagram parts diagram replacement parts electrical diagram repair manuals engine diagram engine scheme wiring harness fuse box vacuum diagram timing belt timing chain brakes diagram transmission diagram and engine problems. I need a wiring diagram for 1995 ford thunderbird with premium sound.
I need the electrical diagrams of the dash gauges components for a 1986 t bird elam. Automotive wiring in a 1986 ford thunderbird vehicles are becoming increasing more difficult to identify due to the installation of. Although the schematic is in black and white the color of each wire is noted. Browse categories answer questions.
Quick view choose options. 6 x 9 speakers. Need electrical diagrams for 1986 t bird. Stereo dimmer wire stereo amp trigger wire if you know any of the above or any other missing information please use the comment box below to notify us.
Audio front speakers size. Ford vehicles diagrams schematics and service manuals download for free. This is the original wiring diagram printed by ford for dealer mechanics. Ford thunderbird forum club 1955 2005 models.
Ford thunderbird car and truck. 1957 ford thunderbird wiring diagram 1960 ford falcon 6 cylinder wiring diagram 1960 ford thunderbird v8 1962 ford galaxie v8 wiring diagram 1964 mustang master wiring locator diagram 1965 ford thunderbird convertible tops control diagram 1965 ford. I need a wiring diagram for a 1986 thunderbird need color codes and placement id ford 1986 thunderbird question. Cougar fastback click here to upgrade.
1986 ford thunderbird speaker sizes. Home forums 1967. Wiring diagrams 1979 1986 in pdf if this is your first visit be sure to check out the faq by clicking the link above. Discussion in 1967 1988 ford thunderbird started by cougar fastback may 2 2018.
3 12 audio rear speakers size. The following information is currently not available. Your source for ford wire information wiring information technical help for your new or used vehicle ford technical wiring diagrams wire information wirediagram ford wire information wire info wiring information wiring info color codes technical wiring diagrams. Whether your an expert ford thunderbird mobile electronics installer ford thunderbird fanatic or a novice ford thunderbird enthusiast with a 1986 ford thunderbird a car stereo wiring diagram can save yourself a lot of time.
You may have to register before you can post.