Free Printables Online
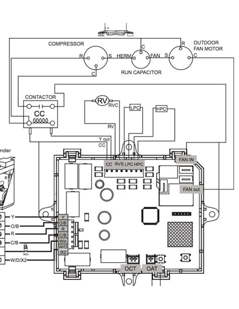
York Defrost Board Wiring Diagram
follow up email after business meeting sample
free printable lip balm label template
free printable wine labels for birthday
for diagram furnace 4 wiring blower gpmn100
free instagram story templates for photographers
first grade 1st grade common core math worksheets
free sample loan agreement form
free funeral invoice template
Mis Diagnostics Of Time Temperature Defrost Boards In Split
Mis Diagnostics Of Time Temperature Defrost Boards In Split
Mis Diagnostics Of Time Temperature Defrost Boards In Split
York Defrost Board Wiring Diagram Wiring Diagram
York Heat Pump Wiring Help Doityourself Com Community Forums
The Sequence Of Operation For A Defrost Heat Pump Board
York Defrost Board Wiring Diagram Wiring Diagram
York Defrost Board Wiring Diagram Wiring Diagram
Hvac Talk Heating Air Refrigeration Discussion
York Defrost Board Wiring Diagram Free Epub Pdf
S1 33102957000 York Oem Heat Pump Defrost Control Circuit
York S1 33101975102 User Manual 1 Page
York Defrost Board Wiring Diagram Wiring Diagram
Heat Pump Troubleshooting Defrost Board Testing And Bypass For Cooling
Defrost Control Board Wire Terminal Functions Heat Pump Defrost Cycle Explaination
York Heat Strips Wiring Diagram Abeauvilliers Com
How To Bypass A Defrost Heat Pump Board To Allow Cooling
Coleman 03101954000 Defrost Circuit Board For Coleman Evcon York Heat Pump
Details About York Coleman Luxaire Defrost Control Circuit Board 174552 1157 903 1157 83 9021a
Coleman York Heat Pump Compressor Not Starting
Part 33101975102 Control Defrost Board Kit
Source :
pinterest.com
Popular Posts
Tachometer Wiring Diagram For 1979 Mgb
Termination Of Contract Sample Letter
Tissue Paper Stained Glass Window Templates
Unit Circle Worksheet
Winch Control Box Wiring Diagram
Weekly Workout Routine Schedule Template
Tree Survey Report Template
W 9 Form 2010 Printable
Twitter Analytics Certification
Wiring Seriel Kohler Diagram Engine Loq0467j0394
Wire Harnes Schematic For Ford F 250 Super Duty
Torqshift Transmission Wiring Harnes
Tenancy Agreement Sample Doc
White Paper Template Snowflakes
Tension Rod Diagram
Wiring Diagram 3 Phase Motor Winding Resistance Chart
Thank You Letter To Donors Sample
Weekly To Do List Template Excel
Visit Report Format Sample
Warn Atv Mini Rocker Switch Wiring Diagram Control
Tj Maxx Coupons Printable
Tefl Certification Cincinnati
Templates Office Com Invoice
Warn Xd9000i 5 Pin Wiring Diagram
Tao Tao 49cc Scooter Wiring Diagram
Travel Invitation Template Free
Table Of Contents Template Pages
Wisconsin Badgers Basketball Schedule 2018 Printable
Three Part Receipt Book
Wiring Stove Oven
Western Solenoid Wiring Diagram
Telephone Line Wiring Colour
Video Blog Website Templates
Tracking Student Progress Chart Template
Visio Wiring Diagram
Word Version Of Resume
Wiring Sub Panel Be
Th8320wf
Wiring Diagram Of Single Phase Motor
Wedding Pdf Templates
Wire Color Diagram
Wiring Diagram For Service Entrance
Work Plan Schedule Template
Wr426 Wiring Diagram
Waves Gizmo Worksheet Answer Key Pdf
Two Way 2 Way Light Switch Wiring Diagram
Troy Bilt Bronco Riding Mower Wiring Diagram
Tennessee Teacher Certification
Writing Worksheets For Grade 1
White Paper Design Template
Train Track Wiring
Thank You Letter To Mother In Law Sample
Writing Chemical Equations Worksheet Answers
Word Bingo Printable
Tufts Certificate Programs