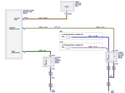
04 Explorer Lift Gate Wiring Diagram

Listed below is the vehicle specific wiring diagram for your car alarm remote starter or keyless entry installation into your 2004 2005 ford explorerthis information outlines the wires location color and polarity to help you identify the proper connection spots in the vehicle.
04 explorer lift gate wiring diagram. The pump and motor unit for this lift can require up to 205 amps of electrical power at 12 volts. Fuse panel layout diagram parts. In this video we go over a very common issue with this generation ford explorer. Our people also have some more pics connected to 2000 ford explorer electrical diagram please see the picture gallery below click one of the pics.
The plugs and weld the wires together and i needed to know which wires did what. Autozone repair guide for your wiring diagrams overall electrical wiring diagram 2004 overall electrical wiring diagram 2004 3. Green ignition harness. Wiring installation instructions railgate railgate important.
2004 ford explorer fuse box map. A1997 ford explorer and the led ight in the rear for the brakes keeps going. Wiring diagram for a 2002 ford explorer liftgate answered by a verified ford mechanic. Microsoft word ford explorer 1991 2006doc.
Function selector switch assembly battery saver relay accessory delay relay fuel tank unit restrain control module power seat switch vehicle security module electronic automatic temperature control module function selection switch assembly positive crankcase ventilation heater ac. 2002 ford explorer wiring diagram 04 explorer of a graphic i get via the 2000 ford explorer electrical diagram package. 2004 ford explorer fuse box diagram. This video will show you how to access the complete ford explorer wiring diagrams and details of the wiring harness.
04 ford explorer hvac no air at. 2002 ford explorer lift gate wiring diagram. 2002 2005 ford explorer door ajar light. Please right click on the image and save the pic.
Diagrams for the following systems are i. 1991 ford explorer wire wire color wire location 12v constant wire yellow ignition harness starter wire pink 1 of 2 ignition harness ignition wire redlt. Common door wiring faults. By anna hartmann on october 11 2019 in wiring diagram 228 views.