Free Printables Online
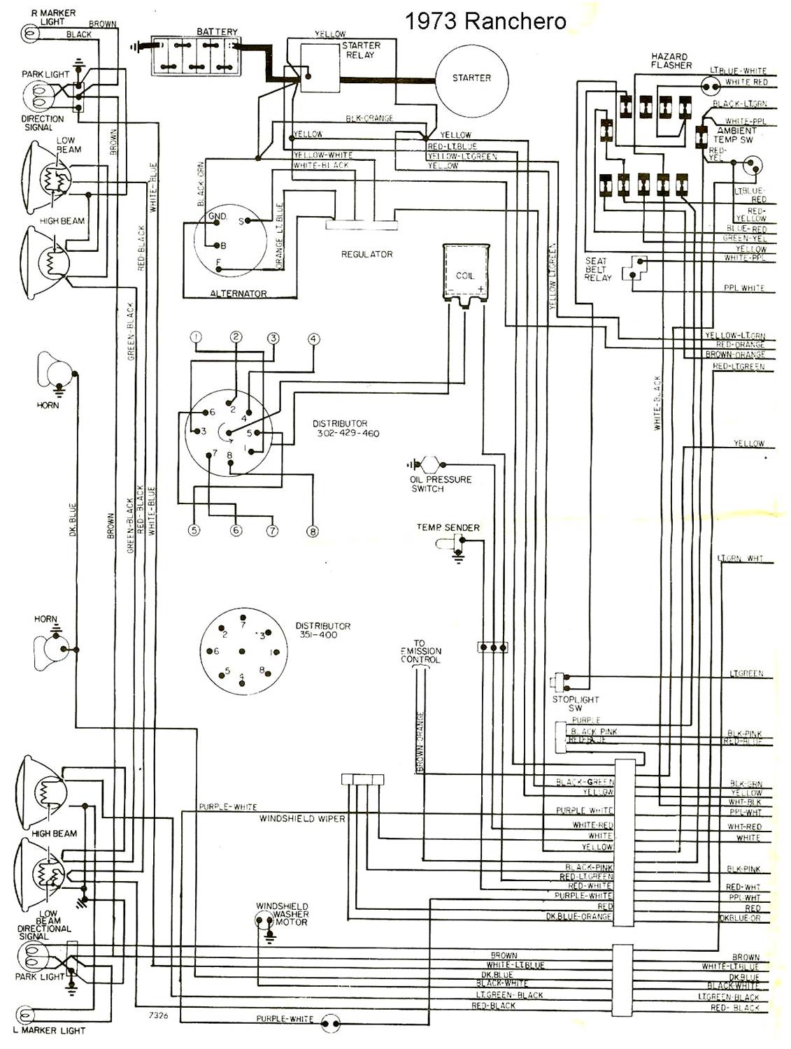
1973 Ford Ranchero Wiring Diagram
holiday card invitation templates
how to scan receipts for smoothie king app
in lieu of favors template
life coaching agreement sample
intern program template
ka24e engine wiring diagram
hr dashboard template ppt
healthcare cpr certification online
72 76 Wiring Diagrams Ranchero Us
72 76 Wiring Diagrams Ranchero Us
Ford Ranchero Torino Color Laminated Wiring Diagram 1970 1973
I Have A 1973 Ford Ranchero It Has A 351 Cleveland I Try To
Photo Gallery For Ford Ranchero Torino Color Laminated
1957 Ford Ranchero Wiring Diagram Schematic Diagram
1979 Ford Ranchero Wiring Diagram Wiring Diagram
1973 Ford Ranchero Wiring Diagram Wiring Diagram
1973 Ford Torino Gran Torino And Ranchero Foldout Wiring Diagram Original
1973 Ford Ranchero Wiring Diagram Wiring Diagram
1964 Ranchero Wiring Diagrams
1979 Ford Ranchero Wiring Diagram Wiring Diagram
1973 Ford Ranchero Wiring Diagram Wiring Diagram
1973 F250 Wiring Diagram Wiring Diagram Ebook
Repair Guides
1973 Ford Torino Gran Torino Sport Ranchero Wiring Diagrams
Fiftyfeetup 1973 Ford Ranchero Specs Photos Modification
1979 Ford Wiring Harness Wiring Library
Wrg 0721 Wiring Diagram For 1963 Ford Falcon Ranchero
Repair Guides
1973 Ford Truck Repair Shop Manual 5 Volume Set Original
Source :
pinterest.com
Popular Posts
Year 2 Persuasive Writing Planning Template
Yoga Alliance Certification
Zety Online Resume
Yearly Timesheet Template Excel
Yoga Poses For Beginners Printable Pdf
Zety Resume Cost
Yellow 1969 Impala
Year To Date Profit And Loss Statement Free Template
Youtube Intro Templates Premiere Pro
Youth Football Registration Form Template
Zoeller Wiring Diagram
Year 6 Fractions Worksheets Pdf
Youtube Intro Templates No Text
Youtube Intro Maker Templates
York Hvac Wiring Diagram Ga
Youtube Channel Art Template Psd Free Download
Youtube Banner Free Template
Yearly Calendar Excel Template 2015
Youtube Website Template
Zenith Motion Sensor Light Wiring Diagram
Ziploc Printable Coupons
Yearly Content Calendar Template
Yellow Letter Template
Yoga Schedule Template
Zoho Sites Templates
Yard Yahtzee Dice Template
Zabiha Halal Certification
Yearly 2018 Calendar Template
Year End Balance Sheet Template Excel
Yard Design Template
Year End Financial Statement Template
Youtube Channel Art Template Psd
Yj Jeep Hardtop Wiring
Yj Turn Signal Switch Wiring Diagram
Yearly Gantt Chart Excel Template
Youtube Banner Template Maker
Yj Jeep Fuel Diagram Wiring Schematic
Yamaha Xs650 Chopper Wiring Diagram
Youth Ministry Church Calendar Template
Yearbook Collage Template
Yearbook Page Template Word
Z Fold Brochure Template
Yearbook Quote Template
Year Long Planning Template
Year End Donation Receipt Template
Yearbook Templates Indesign
Youth Wrist Coach Template
Yearly Sales Forecast Template
Your New Health Care System Diagram
Yoga Certification Oklahoma
York Ga Furnace Wiring Diagram
Zazzle Business Card Template
Yamoto Atv Wiring Diagram Honda
Zendesk Guide Templates
Zendesk Macro Templates