Free Printables Online
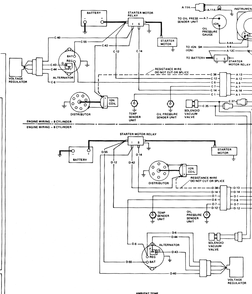
1973 Jeep Cj5 Alternator Wiring Diagram
clinical trial protocol template ich
contract service agreement sample
business valuation template
comms plan template excel
child care business plan sample
cf moto 500cc wiring diagram
confirmation certificates free
certificate in fitness melbourne
Repair Guides
Repair Guides
1973 Jeep Cj5 Alternator Wiring Diagram Wiring Library
Repair Guides
Repair Guides
1971 Jeep Cj5 Wiring Diagram Album On Imgur
Repair Guides
73 Jeep Cj5 Wiring Diagram Wiring Diagram
Tom Oljeep Collins Fsj Wiring Page
My Jeep Voltage Regulator Wire Harness Has A Green With
Alternator Wiring The Amc Forum
Engine Wiring I Need A Good Copy Of The Wiring For A 1979
Repair Guides
Wiring Schematics Ewillys
Tom Oljeep Collins Fsj Wiring Page
Repair Guides
Guide For Automotive Jeep Generator To Alternator Conversion Mounting And Wiring For Jeep Cj 5
Jeep Cj5 Wiring Friendship Quotes Jeep Cj5 Wiring Diagram
Proper Wiring Of Alternator Jeepforum Com
73 Jeep Cj5 Wiring Diagram Wiring Diagram
Alternator Wiring 3 Wires Ford Truck Enthusiasts Forums
Source :
pinterest.com
Popular Posts
Toyotum Tacoma Trailer Wiring Connector Diagram
Universal Wiring Harnes
Wiring Diagram 2000 North Star
Word Document Fax Template
Three Phase Heater Wiring Diagram
Word Document Design Templates
Wiring Diagram For 95 Honda Accord
Training Proposal Template
Work Performance Evaluation Report Sample
The Marriage Certificate
Tmnt Birthday Invitation Templates
Trimline Telephone Wiring Diagram
Up Schematic Diagram
Wedding Program Sample Reception
Wiring Diagram For Alfa Romeo 166
Template Free Printable Fire Watch Log Sheet
Target Printable Invitations
Times Table Cards Printable
Top Salesperson Resume
Training Needs Analysis Report Template
System Architect Certification
Work Instructions Template Word
Wiring Schematic Software Free
Tropical Leaf Template
Toyotum Trailer Wiring Bracket
Wiring Diagram Free Download Top 10 Trailer
Wedding Menu Template Word Document
Wiring Diagram 1999 Dodge Ram 2500 Deisel
Vanagon Fuse Box
What Is The Best Professional Resume Writing Service
Vfx Artist Resume Template Free Download
Wire Diagram For 1986 Dodge Ram
Timeline Template Blank
Whelen 295hf100 Wiring Harnes
Word Document Invitation Template Free
Tea Party Invitation Template Word
Template Semi Truck Inspection Checklist
Vw Wiring Diagram
Warn Winch Controller Wiring Diagram
Tracking List Excel Template
Vendor Form Template
Word Document Modern Word Document Free Resume Templates
Weekly Planner To Do List Template Cute
Work Instruction Manual Template
Unsecured Promissory Note Template Word
Wordpress News Page Template
Wiring Diagram Jettum Cli
Training Itinerary Template
Work Plan Template Microsoft Word
Work Anniversary Email Template
Toyotum Priu Fuse Box Diagram
Workshop Job Card Sample
Wine Label Template Size
Vendor Assessment Template Excel
Twin Star Electric Fireplace Wiring Diagram