Free Printables Online
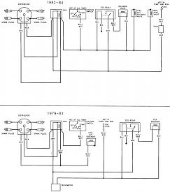
1986 Dodge D150 Ignition Wiring Diagram
sample letter of not renewing contract by employee
sample employment verification letter self employed
simple land purchase agreement template word
sunday school printable worksheets
simple basic resume format
skoal coupons printable
scrapbook layouts templates
single phase fan motor wiring diagram with capacitor
1st Gen Ram Wire Diagrams Dodgeforum Com
Repair Guides
1st Gen Ram Wire Diagrams Dodgeforum Com
1986 Dodge D50 Wiring Diagram Wiring Library
Need Coil Wiring For 85 Dodge D50 2 6l Fixya
1986 Dodge D150 Wiring Diagram Wiring Schematic Diagram
Ignition Switch Wiring Colors Dodgetalk Dodge Car Forums
86 Dodge Ignition Wiring Diagram Wiring Schematic Diagram
1st Gen Ram Wire Diagrams Dodgeforum Com
1986 Dodge Ram 50 That Won T Start
Dodge B250 Ram Van Wagon 5 2l 318ci Repair
Replacing Electronic Ignition Completely In 1970s 1980s
Article
Solved I Have A 1985 Dodge 318 Ramcharger That Is Getting
Dodge Ignition Wiring
Repair Guides
1st Gen Ram Wire Diagrams Dodgeforum Com
1979 Dodge Truck Wiring Diagrams Wiring Diagram
Dodge Ram Wiring Diagram Wiring Diagram
Wrg 8765 1986 Dodge D150 Ignition Wiring Diagram
Solved I Have A 1985 Dodge 318 Ramcharger That Is Getting
Source :
pinterest.com
Popular Posts
Yj Turn Signal Switch Wiring Diagram
Yellow Letter Template
Yoga Resume Template
Youth Ministry Church Calendar Template
York D4cg120n20025eca Wiring Schematic
Yearbook Template Word
Zx600 1997
Youtube Cover Art Template
Yearbook Format Template
Yoga Certification Nj
Youth Wrist Coach Template
Zebra Stencil Printable
Yearly Expenses Template
Youtube Channel Art Template
Yamoto Atv Wiring Diagram Honda
Yearly 2019 Calendar Template Excel
Your New Health Care System Diagram
Youtube Banner Template 2560x1440
Yardstick Report Samples
Yoga Certification Usa
Yearly Service Contract Template
Yearly Sales Forecast Template
Yearly Planner Template 2020 Excel
Zumba Certification Reviews
Zx9r Red
Zuora Invoice Template
Yoga Certification Spokane
Your Signature Resume Reviews
Yamaha Xt500 Wiring Diagram
Zoo Invitation Template
Yoga Certification Houston
Zola Wedding Templates
Zombie Light Rocker Switch Wiring Diagram
Zenni Optical Printable Pd Ruler
Zoo Phonics Printables Free
Your Price Is Too High Response Email Template
Youth Nutrition Certification
Yanmar Ignition Wiring Diagram
Zumba Certification Miami
Ziploc Printable Coupons
York Heat Pump Fuse Box
Yoga Certification Levels
Yith Woocommerce Email Templates
Yanmar Tractor Shifter Diagram
Yelp Like Website Template
Yoga Certification Classes Near Me
Zero Hour Disaster At Chernobyl Worksheet Pdf
Yeti Cooler Wrap Template
Yearly Calendar Template Excel 2016
Year Round It Budget Template
Zombie Light Switch Wiring Diagram
York Ga Furnace Wiring Diagram
Zola Wedding Website Templates
Yoga Certification Pittsburgh
Yanmar Ym 1700 Tractor Wiring Diagram