Free Printables Online
1993 Chevy 5 7 Wiring Diagram
zumba instructor resume sample
year 2 persuasive writing planning template
zola wedding website templates
yoga certification pittsburgh
yard yahtzee dice template
yamaha xs650 chopper wiring diagram
youtube cover art template
yanmar ym 1700 tractor wiring diagram
Ignition System Circuit Diagram 1992 1995 Chevy Gmc Pick Up
1992 Chevrolet Engine Diagram Machine Learning
Chevy 350 Engine Wire Harness Diagram Machine Learning
Gmc 5 7 Engine Diagram Wiring Schematic Diagram 69
1993 Chevy 5 7 Wiring Diagram Epub Pdf
Wiring Diagram 1993 Chevy C1500 Radio Wiring Diagram 1993
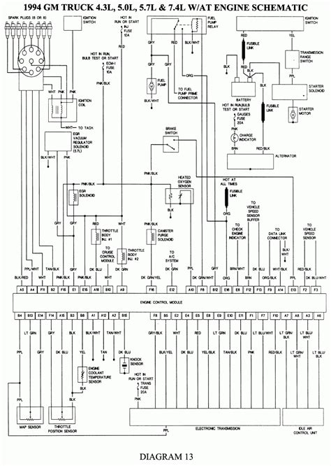
Part 1 1993 Fuel Pump Circuit Tests Gm 4 3l 5 0l 5 7l
1993 Chevy 454 Engine Wiring Diagram Wiring Diagram
1993 Chevy Silverado Spark Plugs Engine Performance Problem
1993 Chevy 454 Engine Wiring Diagram Wiring Diagram
Tbi Harness Diagram Wiring Schematic Diagram Pokesoku Co
1992 Chevrolet Engine Diagram Machine Learning
1993 Chevy Van 5 7 Spark Plug Wiring Diagram
Gmc 5 7 Engine Diagram Wiring Schematic Diagram 69
Part 1 1993 Fuel Pump Circuit Tests Gm 4 3l 5 0l 5 7l
Solved Firing Order Diagram For 1999 Chevy 350 5 7 Vortec
Wiring Further Chevy 350 Firing Order On Wiring Diagram For
What Is The Firing Order For A 4 3l V6 Chevy Motor Quora
S10 Engine Diagram Era Electrical Schemes
1993 Other Gmc Models Vacum Diagram Hi I M Reassembling A
Gmc 5 7 Engine Diagram Wiring Schematic Diagram 69
Source :
pinterest.com
Popular Posts
Work Tracking Log Template
Turf Certificate Online
Vehicle Mechanic Work Order Template Word
Uml Diagram Template Visio 2010
Visually Appealing Resume Templates
Templates Access
Wedding Photo Book Cover Template
Wiring Diagram 2007 Cobalt
Team Building Meeting Invitation Email Sample
Workforce Solutions Resume Builder
Temporary Box Fuse Holder
Team Bio Template Word
Volkswagen Jettum 2 0 Engine Diagram
Yamaha Fj1200 Wiring Diagram
Tridium Niagara Certification
User Persona Template Powerpoint
Template Site Web Responsive
Vector Company Profile Design Template Free Download
Wire Diagram Cat C15
Website Page Templates
What Is The Best Newsletter Template
Twitch Banner Template Free
Template Annual Report Sample Pdf
Teacher Free Printable Thank You Card Template
Ten Frames Kindergarten Worksheets
Triptych Photoshop Template
Wire Icon
Wiring Diagram 2005 Acura Tl
Vacation Calendar Template Excel Spreadsheet
W 9 Printable Free
Tail Lamp Wiring Diagram
Xc90 Cem Wiring Diagram
Vga To Phono Wiring Diagram
Work History Form Template
Upload Walmart Receipt
Tax Preparation Template Excel
Termination Of Service Agreement Template
Wiring A Whirlpool Hot Water Tank
Usf Cpr Certification
Womens T Shirt Template
Vendor Finance Agreement Template
Xlr Male To Xlr Male Patch Cable
Upload And Edit Resume
What Should A Basic Resume Look Like
Weekly Planner Weekly Calendar Template Excel
Venn Diagram Online Creator
Wiring Harnes For Gm 13020122
Weekly Planner Template Excel Free Download
Venn Diagram Between Judaism Christianity And Islam
Warning Letter Template For Poor Performance
Treadmill Motor Replacement Wiring Diagram
Tier 1 Help Desk Resume
Veterinary Newsletter Templates
Video Website Templates
Yamaha Outboard Cooling System Diagram