Free Printables Online
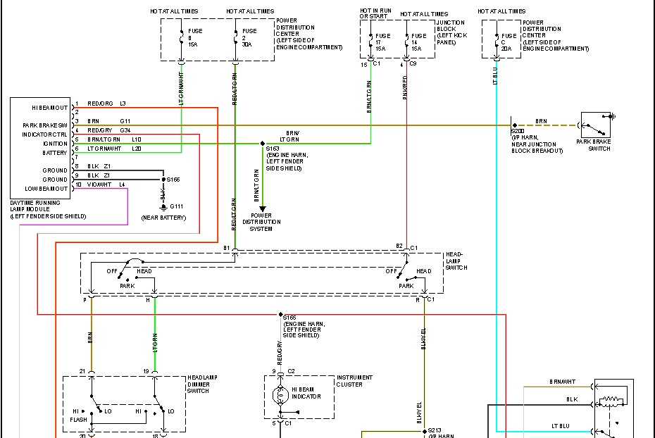
1996 Dodge Dakotum Headlight Wiring Diagram
price menu template
printable trolls birthday invitations
printable badge inserts
psd passport template
professional follow up professional gentle reminder email sample
request for proposal letter
radio advertising contract template
printable blank storyboard template
I Need A Wiring Diagram For A 1996 Dodge Dakota Headlight
Headlights Do Not Come On Dodge Dakota 1999
1996 Dodge Dakota Wiring Harness Wiring Library
Headlight Wiring Diagram Dodge Dakota Schematics Online
Headlights Do Not Come On Dodge Dakota 1999
1996 Dodge B3500 Wiring Diagram Digital Resources
Could I Get A Wiring Diagram For The Headlight Circuit In A
1988 Dodge Dakota Headlight Wiring Wiring Schematic Diagram
1996 Dodge Ram Headlight Wiring Diagram Wiring Diagram
00 Dakota Headlight Switch Wiring Diagram Wiring Diagram
Dodge Ignition Wiring Schematic Wiring Schematic Diagram
1996 Dodge Dakota Wiring Harness Wiring Library
1996 Dakota Fuse Diagram Digital Resources
1998 Dodge Ram Tail Lights Wiring Diagram Wiring Diagram
Repair Guides
Headlights Do Not Come On Dodge Dakota 1999
Headlight Wiring Diagram For 2000 Dodge Sport Unique 1996
1999 Dodge Durango Headlight Wiring Diagram Questions
Repair Guides
Ehow Com 96 Dodge Ram 1500 Headlight Switch Wiring Diagram
94 Dodge Dakota Fuse Box Location Layout Schematics Wiring
Source :
pinterest.com
Popular Posts
Spending Plan Template
Social Website Templates
Simple Operating Budget Template
Sample Retirement Letter To Boss
Rj48 Jack Wiring
Student Worksheet For Microslide Lesson Set 92 Meiosis Answer Key
Sales Analysis Report Template Excel
Squaremeals Menu Template
Supplement Label Template Free
Saturn Light Wiring Diagram
Sample Letter Of Recommendation For Project Manager
Simple Gantt Chart Excel Template
Software Company Introduction Sample
Stock Control Sample Sheet
Squarespace No Template
Spec D Tuning Headlight Wiring Diagram
Rj 45 Connection Wiring Diagram
Single Phase Ac Motor Circuit Diagram
Sample Equipment Rental Agreement Terms And Conditions
Srt File Template
Speed Controller Schematic
Sample Proposal Letter For Security Services
Staging Contract Free Home Staging Proposal Template
Sql Analyst Certification
Sexological Bodywork Certification
Sample College Admissions Interview Thank You Letter
Security Site Assessment Report Template
Scholarship Resume Outline
Sample Resolution Template
Siop Lesson Plan Template 2 Editable
Skin Care Website Templates
Survey Event Feedback Form Template
Step And Repeat Design Template
Shopko 20 Off Printable Coupon
Snowblower Fuel Filter
Sample Resume For Salesforce Administrator
Simple Push On Switch Wiring Diagram
Sample It Resume Templates
Sample Formal Letters
Safety Committee Meeting Minutes Template
Scrapbook Layouts Templates
Screen Printing Invoice Template Pdf
Sample Employee Write Up For Poor Performance
Seresto Printable Coupon
Sample Building Inspection Form
Single Phase 3 Speed Fan Motor Wiring Diagram
Sample Response Letter To Customer Service Complaint
Risk Management Policy Template
Service Terms And Conditions Sample Text
Sample Form For Promissory Note
Sample Technical Skills
Scientific Notation Worksheet Answers
Stress Inventory Printable Stress Test Worksheets
Sample Clothing Order Form
Sears Store Coupons Printable