Free Printables Online
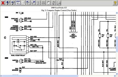
1997 Ford Probe Wiring Diagram Schematic
yerf dog gy6 wiring harnes diagram
yankee candle coupon in store printable
zyrtec printable coupon
year long planning template
youth wrist coach template
you re invited invitations printable
yearbook ladder template
yamaha xs650 engine diagram
1997 Ford Probe Wiring Diagram Schematic Wiring Diagrams
Repair Guides
1997 Ford Probe Wiring Diagram Schematic Wiring Diagrams
Repair Guides
1997 Ford Probe Wiring Diagram Schematic Wiring Diagrams
I Need A 96 Ford Probe Wiring Diagram
1997 Ford Probe Wiring Diagram Schematic Wiring Diagrams
1997 Ford Probe Wiring Diagram Wiring Diagram
I Need A 96 Ford Probe Wiring Diagram
Repair Guides
1989 Ford Probe Stalling I Have A 1989 Ford Probe Gt Turbo
1997 Ford Probe Wiring Diagram Schematic Wiring Diagrams
1997 Ford Probe Wiring Diagram Schematic Diagrams Online
Wrg 1374 1997 Ford Probe Wiring Diagram
1997 Ford Probe Wiring Diagram Wiring Diagram
1997 Ford Probe Wiring Diagram Schematic Wiring Diagrams
Wrg 5660 1997 Ford Probe Wiring Diagram Schematic
1997 Ford Probe Se Fuse Box Diagram Wiring Schematic Diagram
Wrg 7679 1997 Ford Probe Wiring Diagram Harness Electric
1997 Ford Probe Timing Belt Diagram Wiring Schematic
Repair Guides
Source :
pinterest.com
Popular Posts
Professional Stager Certification
Reading Comprehension Printable Worksheets
Printable Service Contract Template Microsoft Word
Pre K And Kindergarten Worksheets
Printable Descendants Invitations
Printable Hot Wheels Template Photoshop
Printable Birthday Party Invitations
Restaurant Pro Forma Income Statement Template
Project Management Budget Plan Template
Protecting Your Identity Worksheet
Printable Canasta Rules
Press Release Template Pages
Printable Simple Resignation Letter Sample Doc
Puma Scooter
Raffle Ticket Flyer Template Free
Programmer Resume Template Download
Printable Simple Business Plan Template Free
Profile Sample Bumble
Printable Eye Doctor Prescription Template
Printable Anniversary Cards For Wife
Printable Gold Coins
Powerpoint Value Proposition Canvas Template Ppt
Rent Receipt Software
Printable Penn State Stencil
Post Interview Thank You Letter Template
Printable Time Study Sheet Template
Printable Princess Sofia Crown Template
Printable Little Man Invitation Template
Recepticle Wiring Diagram
Printable Pocket Fold Invitation Template
Printable Key Outline Template
Printable 1099 Form For 2017
Responsive Web Design Template Free
Residential Sublease Agreement Sublease Template
Pumpkin Template Printable Witch
Printable T Shirt Paper
Printable Blank Admit One Ticket Template
Procedure Documentation Simple Sop Template Word
Resume For School Application
Rent Payment Plan Template
Resume Formats 2018
Printable Blank Hcfa 1500 Form
Reference Student Reference Letter Of Recommendation Samples
Quickbooks Receipt Scanner App
Printable Christmas Cards For Wife
Porter S Value Chain Analysis Template
Process Flow Chart Template Powerpoint 2010
Printable Birthday Cards For Pastors
Reducing Fractions Worksheet Pdf
Printable Map Of Middle Earth
Resume Format Docx
Printable Free Employee Evaluation Form Template Word
Printable To Do List Template Word Free Download
Resume Free Templates Online
Printable Thank You Cards Template