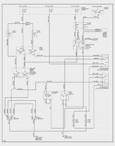
1999 Jeep Cherokee Headlight Wiring Diagram

Listed below is the vehicle specific wiring diagram for your car alarm remote starter or keyless entry installation into your 1999 2004 jeep grand cherokeethis information outlines the wires location color and polarity to help you identify the proper connection spots in the vehicle.
1999 jeep cherokee headlight wiring diagram. I have compleated go jeeps wiring loom upgrade the lights r much much brighter but after 10mins of having the lights on the switch was to hot to touch. 1999 jeep cherokee wire wire color location. I need to find the wiring diagram for the headlights. You can also find other images like jeep wiring diagram jeep parts diagram jeep replacement parts jeep electrical diagram jeep repair manuals jeep engine diagram jeep engine scheme diagram jeep wiring.
The brand new lens. For some reason the headlight switch keeps heating up until it melts. This video will show you how to access the complete jeep cherokee wiring diagrams and details of the wiring harness. Diagrams for the following systems are included.
Tachometer wire gray module behind driver headlight brake wire whitetan harness in drivers kick panel or brake. Not included re use original. My head light switch is not working and does not turn on the head lights. Jeep grand cherokee wiring diagram collections of a aa a2aa a1 a a a2aa1a a a2a aaa3a aaa 1999 jeep grand cherokee transmission wiring.
Get improved nighttime vision and upgraded style with these bolt on headlight assemblies. Radio wiring engine wiring. Hi i am having problems with my headlights in my 96 xj. 99 cherokee 40 the left headlight is out on low beam when on high beam the right is out theres 2 new headlights answered by a verified jeep mechanic we use cookies to give you the best possible experience on our website.
Jeep cherokee 1999 black euro headlights by spec d 1 pair. 2000 jeep grand cherokee starter repair guides wiring diagrams. My headlight switch keeps burning out and blowing fuses and acting very strangely. Jeep cherokee 1991 2001doc.
Hi i have a 1995 jeep cherokee sport w 217k miles automatic. 1999 jeep grand cherokee electrical diagram welcome to our site this is images about 1999 jeep grand cherokee electrical diagram posted by brenda botha in 1999 category on oct 10 2019.