Free Printables Online
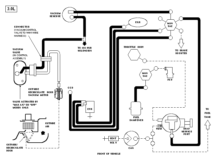
2000 Ford F350 Vacuum Diagram
make your own handwriting worksheets
land lease agreement sample doc
hipaa trainer certification
jaguar mk2 fuse box
jcpenney com coupons printable
lpn dialysis certification bc
knowledge base excel template
juice bar business plan sample
Ford F 250 Questions Vacuum Diagram Cargurus
Help 2001 F250 Hvac Control Does Not Work Properly
1986 Ford F 250 Vacuum Diagram Questions With Pictures
2008 Ford F350 Vacuum Diagram Wiring Diagram G11
Vacuum Line Diagram Ford Truck Club Forum
Ac Only Blowing Out Defrost Vents Ford Truck Enthusiasts
Hub Diagrams Where Are The And Can I Get A Diagram Of Vac
2003 F250 4x4 Hubs I Am Looking At The Vacuum Pulse Solnoid
Need Help Finding A Vacuum Diagram The Ranger Station Forums
03 Navigator Vacuum Lines Ford Forums
Ford F 250 Questions Vacuum Diagram Cargurus
Ford Super Duty Diesel Vacuum Lines
Solved I Ve Been Searching For An Engine Vacuum Hose Fixya
Need Vacuum Diagram For 05 F350 6 0 Diesel Squrrells Got
Ford Ranger Engine Vacuum Hose Diagrams The Ranger Station
Where To Plug Vacuum Lines Ford Powerstroke Diesel Forum
Engine Revs When Ecm Pcm Ecu Pushed Ford Explorer
1995 Ford F350 Vacuum Diagram Questions With Pictures
2003 Ford F350 Vacuum Diagram Wiring Diagram G11
2002 F350 Vacuum Problem With Defrost And Hubs Ford Truck
Need Vacuum Diagram For 05 F350 6 0 Diesel Squrrells Got
Source :
pinterest.com
Popular Posts
36 Volt Club Car Wiring Diagram Precedent
Atm Card Robinsons Bank Account Number Sample
Background Free Graphic Design Templates Photoshop
Algebra 1 Worksheets Slope
Bat Digestive Diagram
Ballerina Tutu Invitation Template
4th Grade Fourth Grade Math Worksheets
After Effects Motion Templates
30 Day Notice To Landlord Template California
Acquisition Agreement Template Word
2014 Vw Jettum Fuse Diagram
2012 Toyotum Camry Stereo Wiring Schematic Diagram Mustang Fuse
Best Expense Report Template
Actually Free Resume Templates
4 Pin Trailer Wiring Diagram Boat
Alphabet Letter Templates To Print
Barton Cotton Certificates
95 Chrysler Lh Wiring Schematic
5 String Fender Jazz Bass
Bank Transfer Request Letter Sample
5 Oa B 3 Worksheets
98 Ford Radio Wiring Diagram
2014 Dodge Durango Oil Type
99 Dodge Durango Electrical Schematic
5x7 Photo Template Word
Animation Certificate Program Nyc
220 Volt 4 Prong Plug
A4 Jigsaw Puzzle Template Free
American Lafrance Rescue
3 Phase Vfd Motor Control Circuit Diagram
Atomic 4 Fuel Filter
5th Grade Social Studies Worksheets With Answer Key
5 3l Engine Diagram
Acrp Pm Certification
A Certification Review
3rd And 4th Grade Math Worksheets
2x6 Bookmark Template
49ers Schedule Printable
6 Pin Vs 7 Pin Trailer Connector
Area Of A Right Triangle Worksheet Pdf
3d Shape Cards Printable
4 Wire Flat 4 Wire Trailer Wiring Diagram
96 Honda Civic Wiring Diagram
Annual Risk Assessment Template
Amazon Gift Receipt
Audi A8 Engine Wiring Diagram
99 Jeep Wrangler Oil Pan
240v Relay Switch Wiring Diagram
7th Grade Financial Literacy Worksheets
73 Corvette Wiring Diagram Coil
Avery Business Card Template 8876
Agile Certification Seattle
Announcement Change Of Address Template
Bbq Plate Sale Flyer Template
Auto Detailing Logo Template