2006 Chrysler 300 Ac Wiring

Buy online or pickup parts at any local advance auto parts store.
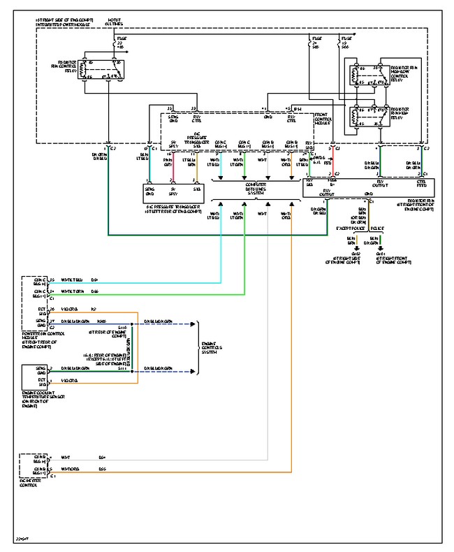
2006 chrysler 300 ac wiring. Repair questions and answers. How the trouble shoot ac on chrysler 300 c and how to reposition the ac fuse connector. So in this video im working on a 2011 chrysler 300 c 5 7 hemi. The trouble i was having is when i turn the ac on it would come on and turn off intermittently rather the weather was cooler or hot.
Ac not blowing good in front fans. Free same day store pickup. Rear power distribution center. Check out free battery charging and engine diagnostic testing while you are in store.
2006 chrysler 300 wiring diagram. Air conditioning problem 2003 chrysler 300 front wheel drive automatic 73260 miles blowing hot air was this. Ac blowing hot air. Aaa radiator and auto air conditioning 104407 views.
This center contains fuses and relays. No power to ac compressor. Friday september 29th 2017 at 443 pm merged. Wiring diagram images database regarding chrysler wiring diagrams by admin from the thousand photos on the web in relation to chrysler wiring diagrams we all choices the top choices together with greatest image resolution just for you and this pictures is actually among pictures series within our greatest images gallery in relation to chrysler wiring diagrams.
Fuse box diagram located in the trunk chrysler 300. There is also a power distribution center located in the trunk under an access panel. Ac diagram for 2006 chrysler 300 need to know what expansion valve bolts to on dash side of firewall chrysler 2006 300 touring question.