Free Printables Online
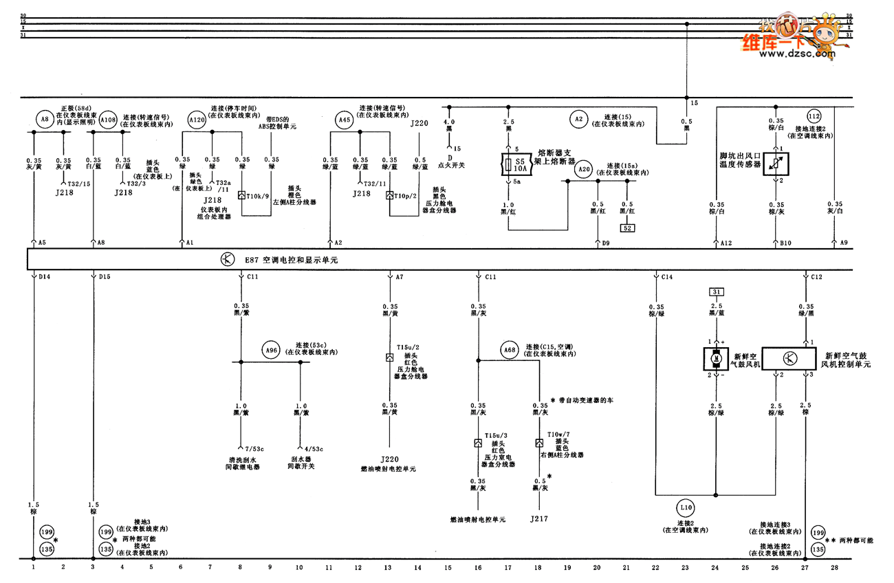
Audi A3 Aircon Wiring Diagram
2004 jettum stereo wiring diagram
2007 road king wiring diagram
1952 chevy truck fuse box
1997 gmc sierra 1500 fuse box diagram
2 stage heat thermostat wiring diagram free picture
2000 chevy malibu radio wiring diagram
2005 ford escape fuel filter location
2 5 dodge avenger engine diagram
Wrg 2077 Audi A3 Aircon Wiring Diagram
Audi Ac Wiring Diagrams Wiring Diagram
Audi Ac Wiring Diagrams Wiring Diagram
Audi Ac Wiring Diagrams Wiring Diagram
Audi Workshop Manuals A3 Mk1 Heating Ventilation Air
Finding The A3 8l 1 8t Aircon Relay Pliez It S Hawt The
Audi Ac Wiring Diagrams Wiring Diagram
Vwvortex Com Need A C Wiring Diagram
Details About Audi Oem Ac A C Air Conditioner High Pressure Relief Valve 8a0820855aa
Finding The A3 8l 1 8t Aircon Relay Pliez It S Hawt The
Audi A3 Electrical Wiring Diagram Wiring Library
Audi Air Conditioner A C Recharge Instructions Pictures
Audi Workshop Manuals A3 Mk2 Heating Ventilation Air
Ac High Pressure Switch Valve Sensor Audiworld Forums
Read E Book Online 3 Speed Fan Wiring Diagrams Epanel
Audi Ac Wiring Diagrams Wiring Diagram
Diagnose Car Ac Electrical Issues With Vehicle Specific
Finding The A3 8l 1 8t Aircon Relay Pliez It S Hawt The
Audi Ac Wiring Diagrams Wiring Diagram
Audi Oem 06 13 A3 Air Conditioner A C Refrigerant Pressure
Wiring Diagram For Audi A3 Stereo Wiring Library
Source :
pinterest.com
Popular Posts
Reference Character Reference Free Reference Reference Letter Of Recommendation Samples
Raffle Numbers Template 1 100
Quiet Book Page Templates
Resume Profile Examples Customer Service Manager
Printable Bts Phone Case
Project Management Risk Matrix Template
Recruiter Job Description Sample
Proposal Template For Event Sponsorship
Printable Homemade Coupon Book Template
Printable Free Pinewood Derby Templates
Receipt For Shrimp Scampi
Printable Wine Bottle Gift Tag Template
Project Control Plan Template
Printable State Tax Forms
Printable Number Line Up To 20
Receipt Book Shop Bill
Product Development Roadmap Template Free
Radio Wiring Diagram 02 Mazda 626
Product Specification Product Information Sheet Template
Printable Fha Loan Application
Printable Mcdonalds A Menu And Sodium
Powerpoint Marketing Campaign Template
Resume Writers Nyc
Printable Outcome Star Free Template
Printable Job Cost Sheet Template
Printable Canning Jar Labels
Pvc Id Template Psd
Printable Months 2019
Residential Breaker Panel Wiring Diagram
Printable Blank Weekly Lesson Plan Template
Printable Cross Stitch Patterns Free To Download
Printable Quilt Pattern Templates
Printable Piggy Bank Template
Promotion Resume Template
Research Report Template For Kids
Printable Free Weekly Meal Planner Template
Ppt Templates Computer
Receipt Template For Services Rendered
Printable Free Diaper Raffle Tickets Pdf
Prime Therapeutics Printable Prior Authorization Form
Pontiac Grand Prix Stereo Wiring Harnes
Pontiac Headlight Socket Wiring Diagram
Restaurant Consultant Certification
Printable General Release Of Information Form Pdf
Printable Wedding Seating Chart
Remote Starter For Subaru
Preschool Business Plan Template
Printable First Aid Manual
Printable Employee Evaluation Form Template
Proposal Template Freelance Bid Proposal Sample
Printable Blank Lesson Plan Template For Pre K
Psm 2 Certification Dumps
Printable Newborn Physical Exam Template
Power Max 400 Wiring Diagram Blower
Psychosocial Interview Template