Dodge Door Wiring Diagram

Your source for dodge wire information wiring information technical help for your new or used vehicle dodge technical wiring diagrams wire information wirediagram.
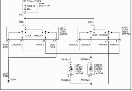
Dodge door wiring diagram. Here are the wiring diagrams for the 2018 ram hd body wiring. I thought maybe it was a fuse problem or a bad motor. Blue ignition harness accessory wire blackorange ignition harness power door lock 5 wire reverse polarity orangepurple harness in drivers kick panel. I started looking on line for wire diagrams to help me try to troubleshoot the problem.
Dodge wire information wire info wiring information wiring info color codes technical wiring diagrams. This should work for late year 4th gens. Bcm layout air suspension 3500 wiring air suspsension 2500 wiring stereo base non alpine wiring stereo premium alpine wiring stereo media port wiring backup camera cab and chassis wiring backup. I found that a lot of people had the same problem.
Before you dive in with a multi meter you will want to obtain a free wiring diagram for your specific modelyou may need to locate a specific color wire and its exact location. Rear door cutting wiring. Wiring diagrams dodge. How to replace a rear power window regulator dodge durango 98 03 dakota quad cab 00 04 duration.
Pet rocks garage 60690 views. 1992 dodge ram wire wire color location 12v constant wire red ignition harness starter wire yellow ignition harness ignition wire dk. Color codes technical wiring diagrams. If you run into an electrical problem with your dodge you may want to take a moment and check a few things out for yourself.
Solving issues with wiring harness in rear door of 2006 dodge ram. I am not a professional mechanic i simply share the process and procedures that i took to make necessary repairs on.