Hyundai Cooling Fan Circuit Diagram

Hyundai Wiring Diagram Radiator Fans Ricks Free Auto

Hyundai Wiring Diagram Radiator Fans Ricks Free Auto

Cooling Fans Wiring Diagram

Cooling Fans Wiring Diagram

Need The Pin Out For The Engine Fan Socket My Socket For The

Need The Pin Out For The Engine Fan Socket My Socket For The

Need The Pin Out For The Engine Fan Socket My Socket For The

89 xj bmw dual temp switch 2 speed fan wiring.

Hyundai cooling fan circuit diagram. The exact vehicle that im testing is 2000 honda. Replace the radiators thermoswitch just make sure it has the same temperature range spamped on it. Radiator fan not coming on 2013 hyundai sonata hyundai sonata question. Both receive power from fusible links not ordinary fuses.

1994 mitsubishi galant underhood fuse box diagram. I also show how to replace the cooling fan switch. Auto electric cooling fan wiring part 2 wiring the relays. Before performing any wiring changes on your 1997 hyundai accent please be sure you have read and understand about the system circuit wiring diagram shown here first.

Hyundai santa fe dm 2013 2018 service manual engine mechanical system cooling system cooling fan. This is a typical hyundai wiring diagram for the radiator fan and ac condenser fan. 1994 mitsubishi galant underhood fuse box map. In this video i show you how i troubleshoot the cooling fan circuit on an older honda civic.

The engine cooling fan system consists of engine cooling fan motor engine cooling fan relay ac pressure sensor located behind right headlamp fusible link starter motor battery control module motronic and air conditioning system. Fuse panel layout diagram parts. The system uses a radiator fan relay and a condenser fan relay. Just an idea on how to wire up electric cooling fans for your vehicle.

No power to compressor of cooling fan. Check the wiring for damage. For its exact location and wiring diagramclick the link below. This wiring diagram training module covers hyundai vehicles built between 2001 2006 a time when.

The electrical circuit we will show to you here is about the system circuit wiring diagram of the 1997 hyundai accent. This video is an extract from automates hyundai wiring diagrams 2001 to 2006 training module. Hyundai wiring diagram radiator fans hyundai wiring diagram for radiator cooling fans. These engine cooling fan circuits and schematic diagrams apply for 1994 volvo 850 and 960 series.

Has over heated once.

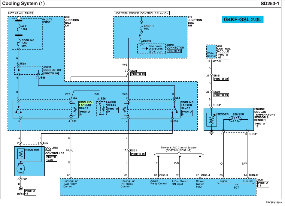
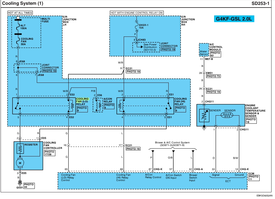
Hyundai Santa Fe Cooling Fan Schematic Diagrams Cooling

Hyundai Santa Fe Cooling Fan Schematic Diagrams Cooling

Hyundai Wiring Diagram Catalogue Of Schemas

Hyundai Wiring Diagram Catalogue Of Schemas

Need The Pin Out For The Engine Fan Socket My Socket For The

Need The Pin Out For The Engine Fan Socket My Socket For The

2 Speed Electric Cooling Fan Wiring Diagram

2 Speed Electric Cooling Fan Wiring Diagram

Hyundai Santa Fe Cooling Fan Schematic Diagrams Cooling

Hyundai Santa Fe Cooling Fan Schematic Diagrams Cooling

2007 Hyundai Entourage 6 Cylinder 3 8l Dtc P0480 What Do I

2007 Hyundai Entourage 6 Cylinder 3 8l Dtc P0480 What Do I

Searching For Wiring Diagram For 2006 Sonata Elite Engine

Searching For Wiring Diagram For 2006 Sonata Elite Engine

Engine Fan Diagram Wiring Diagrams Folder

Engine Fan Diagram Wiring Diagrams Folder

I Have A 2004 Hyundai Sonata One Of My Cooling Fans Does

I Have A 2004 Hyundai Sonata One Of My Cooling Fans Does

Solved Where Is Radiator Fan Switch Relay For 2005 Sonata

Solved Where Is Radiator Fan Switch Relay For 2005 Sonata

Radiator Fan Failure Engine Cooling Problem 4 Cyl Front

Radiator Fan Failure Engine Cooling Problem 4 Cyl Front

I Have A 2004 Hyundai Sonata One Of My Cooling Fans Does

I Have A 2004 Hyundai Sonata One Of My Cooling Fans Does

Why Do My Radiator Fans Run Only When Ac Is On

Why Do My Radiator Fans Run Only When Ac Is On

Diy Independant Cooling Fan Controller Page 5 Hyundai

Diy Independant Cooling Fan Controller Page 5 Hyundai

Hyundai Workshop Manuals Santa Fe Fwd L4 2 4l 2010

Hyundai Workshop Manuals Santa Fe Fwd L4 2 4l 2010

Hyundai 25380 2s500

Hyundai 25380 2s500

Hyundai Workshop Manuals Sonata V6 3 3l 2006 Engine

Hyundai Workshop Manuals Sonata V6 3 3l 2006 Engine

How To Replace A Cooling Fan Relay On Most Vehicles

How To Replace A Cooling Fan Relay On Most Vehicles

Source : pinterest.com

Popular Posts