Free Printables Online
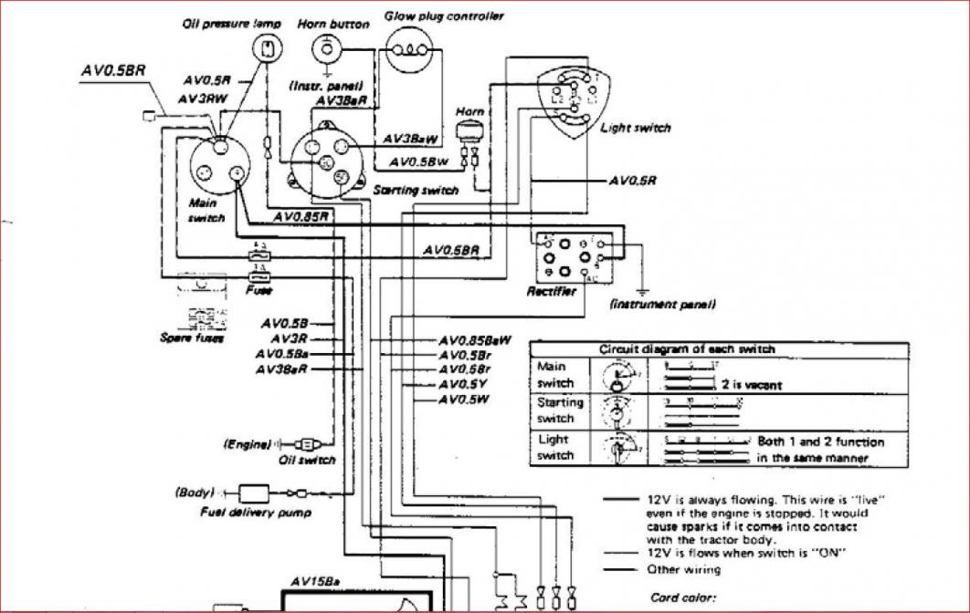
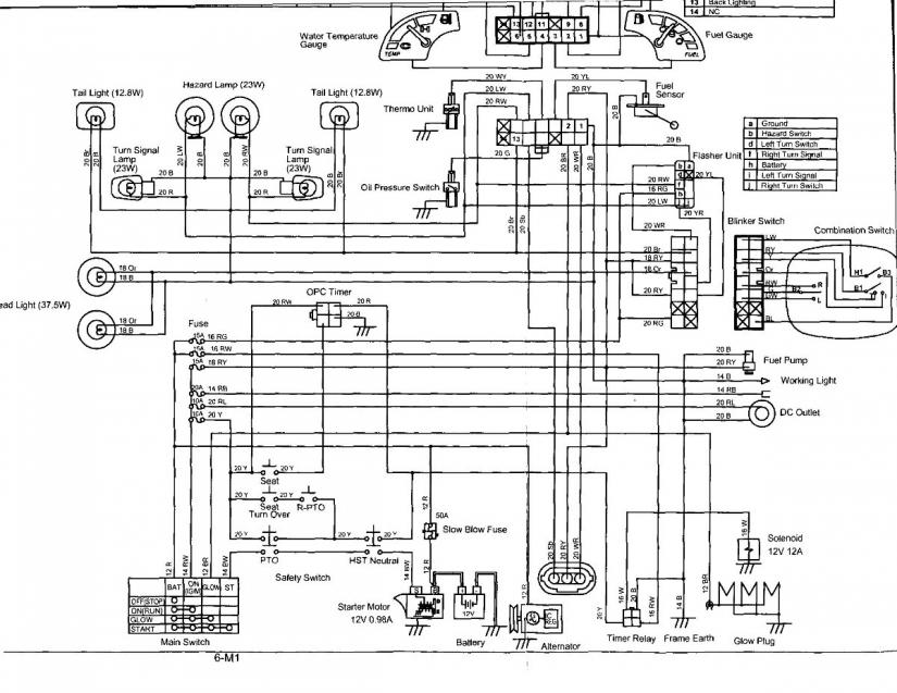
Kubotum Bx25 Wiring Diagram
home budget templates
inmotion hosting website templates
irish marriage certificate
inventory management clothing inventory template
kium bestum wiring diagram
high control wiring diagram for alarm
is resume genius really free
how to write a curriculum vitae template
I Need To Get A Wiring Diagram For My Bx25 I D Like To
Solved My Bx23 Rear Yellow Lights Flash All The Fixya
Work Shop Manuals Wsm Page 4 Orangetractortalks
Need Help Troubleshooting Fuel Shut Off System On Bx24
Kubota Fuse Box Wiring Schematic Diagram
Kubota Fuse Box Wiring Library
Bx 2200 No Start
Kubota Bx25 Wiring Diagram Wiring Library
Kubota Stereo Wiring Diagram Wiring Schematic Diagram 90
Tc30 Tractor Ignition Switch Wiring Diagram Tc Free
Bx2350 Electrical Safety Switch Schematic
725 1990 Grasshopper Mower Diagram Parts List
Kubota Bx25 Workshop Service Manual 435pg For Bx 25 Tractor Repair With Rck 54 Rck 60 Mower Set Up Operation And Maintenance
Bx25d Work Shop Manual
Kubota Bx25 Wiring Diagram Wiring Diagram Sheet
Fuse Box On Kubota Bx25 Wiring Diagram
Fuse Box On Kubota Bx25 Wiring Diagram
Kubota Bx Auxiliary Light Wiring Youtube
Wiring Diagram For Kubota L3800 Wiring Diagram
Kubota Fuse Box Wiring Schematic Diagram
Kubota B7500 Manual Pdf
Source :
pinterest.com
Popular Posts
Yugo S
Yearbook Ladder Template
Zebra Printer Template
Yoga Certification Abroad
Zongshen 250cc Wiring Harnes
Yardstick Report Samples
Year 2 Persuasive Writing Planning Template
Yoga Certification Ct
York Furnace Part Diagram
Yearly 2018 Calendar Template
Yamaha Yfm 250 Wiring Diagram
Zine Printing Template
Yoga Liability Waiver Form Template
Yearbook Template Publisher
Yoplait Yogurt Printable Coupons
Youtube Channel Art Template
Zoo Animal Cutouts Printable
Zenni Optical Printable Ruler
Youth Ministry Church Calendar Template
Yearly Content Calendar Template
Yanmar Tractor Shifter Diagram
Yoga Certification Houston
Youre Invited Invitation Template
Yearly Meeting Schedule Template Excel
Yoga Certification Indiana
Yearly Attendance Tracker Template
Yoga Certification Retreats
Yanmar Ignition Wiring Diagram
Yfz450 Wiring Diagram
Zx9r Red
York Heat Pump Thermostat Wiring Diagram Het Pump
Zoho Sites Templates
York Ga Furnace Wiring Diagram
Youtube Channel Art Template Psd Free Download
Zoo Animal Printables Preschool
Zombie Math Worksheets
Youtube Channel Art Template Free
Youtube Banner Template 2560x1440
Zebra Receipt Printer
Yoga Certification Nj
Youtube Premium Receipt
Yellow Certificate Paper
York Furnace Wiring Diagram Basic
Yearly Budget Template Free
You Re Invited Template
Yard Design Template
Yamaha Yfm350 Engine Diagram
Zety Online Resume
Zebra Gk420t Label Template
Yj Turn Signal Switch Wiring Diagram
Yellow Black Powerpoint Template
Year Schedule Template
Yankee Candle Coupon In Store Printable
Yoga Certification Tampa
Your Signature Resume Reviews