Free Printables Online
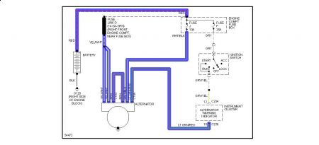
Lincoln Alternator Wiring Diagram
business term sheet template
bill of sale template ga
blank calendar july 2019 printable
certificate of registration
citrix receiver certificate provided by the server is not trusted
bu fuse box wiring
celica engine bay diagram
certified mail receipt template
My Lincoln Town Car Has A Charging Problem Though I Changed
Lincoln Sa200 Wiring
Gm Alternator Wiring Ricks Free Auto Repair Advice Ricks
Ford Crown Victoria Alternator Wiring Diagrams
Will Lincoln Tc Alterenator Fit On A 4 6l Crown Vic The
2000 Lincoln Ls Check Charging System Recently I Had A
Lincoln Sa200 Wiring
Ford Crown Victoria Alternator Wiring Diagrams
1983 Lincoln Alternator Wiring Schematics Online
Ford Diagrams
I Am Re Using A 1985 Vii Alternator In A 1965 Ranchero On
Lincoln Alternator Wiring Diagram Wiring Library
1990 Lincoln Town Car Charging System Light Stays On Door
Lincoln Sa200 Wiring
Index Of Lincoln Pictures9
Alternator Wiring Diagram 1957 Schematics Online
Electrical Alternator 91 Mustang Gt 89 Lincoln Mark Vii
Lincoln Town Car Wire Schematics Wiring Library
Sa250 Wiring
1988 Lincoln Mk Vii Wiring Diagram Alternator Generator Fixya
Check Charging System Alert I Have A 2003 Lincoln Navigator
Source :
pinterest.com
Popular Posts
Onc Nurse Certification
Ob Gyn Hp Template
Monthly Payslip Monthly Sample Payroll
Medical Authorization Template
New Year Invitation Template
Monthly Newsletter Apartment Newsletter Templates
Meeting Sign In Sheet Template
Note Receivable Template
Motorcycle Air Horn Wiring Diagram
Mitsubishi Fuso Fuse Box Diagram
Misconduct Dismissal Letter Sample
Marketing Management Certificate
Mercury Marine Optimax Wiring Harnes
Msd Wiring Harnes Chrysler
Microsoft Word Checklist Template Download
New Employee Template
No Volume 2 Tone Hs Strat Wiring Diagram
Modern Duplex House Wiring Diagram
Monthly Calendar Template October 2019
Medical Resignation Letter Template
Market Gap Analysis Template
Mcdonnell Miller Wiring Diagram
Order Letter Sample Philippines
Phone Wireframe Templates
Medical Report Sample Pdf
Medical Device Quality Management System Template
Peugeot Fuse Box Diagram
Mercury 1500 Wiring Diagram
Mazda 2 Fuse Box
Non Profit Proposal Templates Free
Phylum Arthropoda Diagram
Multiple Project Status Report Template
Organogram Template Word Document
Pdf Template Free Printable Printable January Calendar 2019 Pdf
Plastic Surgery Website Template
Medical Emergency Response Plan Template
Personal Loan Agreement Between Friends Template
Partnership Proposal Template Doc
Photography Artist Statement Template
Medical Consult Note Template
Nissan X Trail Fuel Filter Location
New Invoice Email Template
Polari Rzr 900 Cover
Movie Party Invitation Free Template
Medical Editing Certificate
Pdf Model Release Form Template
Media Plan Sample
Model Boat Wiring Diagram
New Employee Personal Details Form Template
Meeting Note Taking Template Word
Nonprofit Letter Of Support Template For Grant
Paralegal Certification Illinois
Monthly Planner Printable
Peugeot Fuse Box Diagram 406
Peugeot 1007 Wiring Diagram