Mercede 190e Fuse Box

How is a non accredited university recognized or ranked.
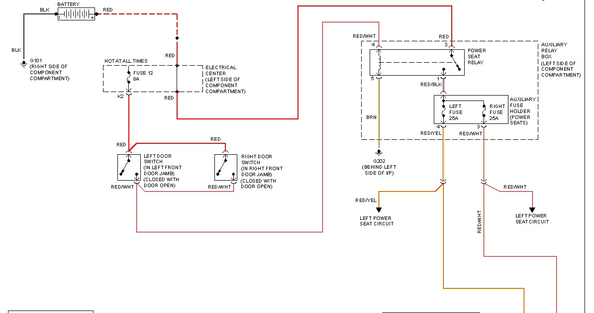
Mercede 190e fuse box. Fuse panel mercedes benz 190e fuse box diagram. The cooling fansac heat are not working. Link to fuse box upgra. If you are having electrical problems check the fuses first.
Everything about cars skip to content. Where is the fuse box located on a 1993 mercedes benz 190e. I am having trouble with my 1991 190e mercedesthe fuse box under the hood seems to have a contact problem from below. After checking each fuse individually it seems the issue must be under the fuse box with the wiring contacts.
In the present new period all information concerning the progression of technology is incredibly easy to grab. 241 want this answered. Just because they look good does not mean they are delivering current. Mercedes benz 190e fuse box diagram hello visitor this short article related about mercedes benz 190e fuse box diagram fuse box diagram mercedes benz 190e.
For the mercedes 190 w201 1984 1985 1986 1987 1988 1989 1990 1991 1992 1993 model year. Mercedes benz 190 1982 1993 fuse box diagram. New genuine mercedes benz germany auxiliary fuse box wkit cover two screw part a 000 545 99 01 the specifications 16 amp 24 volts have been stamp on the top of the auxiliary fuse box for amp volts safety capacity of the auxiliary fuse box voltage current that part have two holes at the bottom for mounting screw model year yr fits usa european version by the chassis vin r w coupe cp. Mercedes benz 190 1982 1993 fuse box diagram.
Mercedes benz 190 1982 1993 fuse box diagram. Mercedes benz 190e 1990 wiring diagrams fuse box diagram.