Free Printables Online
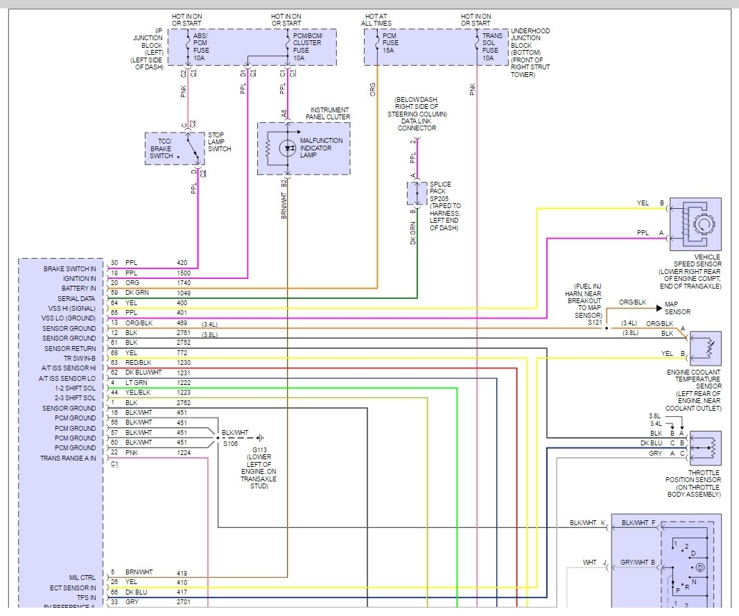
Neutral Safety Switch Wiring Diagram Chevy
basketball practice plan template pdf
app to keep receipts
65 hp mercury outboard motor wiring diagram
98 mercury grand marqui engine diagram
best printable art
algebra 1 worksheets linear equations
baby girl 1st birthday invitation card template
best practices template project management
Neutral Safety Switch Wiring Diagram 5 Pin Relay Wiring
How To Test A Neutral Safety Switch In Under 15 Minutes
Wiring Diagram For 4l80e Neutral Safty Switch The 1947
Wiring Diagram For 4l80e Neutral Safty Switch The 1947
Solved Need Wire Colors Diagram For Neutral Safety Switch
Neutral Safety Switch Oldsmobile Forums
Need Pnp Park Neutral Switch Wiring Diagram Or Pin Outs
Solved 1996 T100 Park Neutral Safety Switch Works Only In
Wiring Diagram For 4l80e Neutral Safty Switch The 1947
Ck Wiring Diagram Backup Lights Wiring Schematic Diagram
How Do You Jump The Neutral Safety Switch Mustang Forums
Chevrolet Astro Questions Where Is The Neutral Safety
Automatic Neutral Safety Switch
4l60e Neutral Safety Wiring Harness Swift Electrical Schemes
Automatic Neutral Safety Switch
4l60e Transmission Neutral Safety Switch Wiring Diagram
Anyway To Bypass A Neutral Safety Switch On A 2003 Fixya
Where Is The Neutral Safety Switch Located At On A 2009
Repair Guides
Question About Prnd Connector The 1947 Present Chevrolet
Column Shift Neutral Safety Backup Lamp Switch
Source :
pinterest.com
Popular Posts
My Indeed Resume
Paycheck Budget Worksheet Excel
Non Profit Articles Of Incorporation Texas Template
Network Certification Path
Medical Device Test Method Validation Template
Physical Exam Template For Medical Students
Nissan Patrol Wiring Diagram Download
Market Research Analysis Sample
Payment Arrangement Template
Microsoft Word Simple Will Template Free
Meeting Notes Sample
Newspaper Death Announcement Obituary Template
Mitsubishi Starter Wiring Diagram
Pmi Sp Certification
Password Organizer Template
Network Wiring Diagram
Mazda 626 Fuse Box
Operating Agreement Template Incorporation
Mini Surfboard Template
No Headlight Relay Wiring Diagram
Mini Cooper Ecu Wiring Diagram
Plumbing Certification Cost
Pm Model 500 Turn Signal Wiring Diagram
Mens Fashion Template
Orm D Labels Printable Free
Pdf 3d Paper Mask Template Free Printable
Petty Cash Form Excel Template
Number Preschool Worksheets Pdf
Metra Wiring Diagram Volkswagen
Modern Powerpoint Templates 2019
Paralegal Assistant Certificate
Ms Brochure Template
Non Cash Charitable Contributions Donations Worksheet
Personal Elevator Speech Template
Nfl Player Contract Template
Physician Progress Note Template
Organizational Development Resume Examples
Pmp Certification Unf
Nasal Polyp Diagram
Online Check Stub Template
Map Certification Jobs
Plumbing Estimate Template
Photo Contest Template
Online Mmmp Certification
Manufacturing Budget Template Xls
Newspaper News Report Sample
Occupancy Light Sensor Wiring Diagram
Medical School Recommendation Letter Sample From Employer
Msd Wiring Diagram Trigger Point
Pharmacist Resume Example
Oscar Award Card Template
Massage Therapist Job Description Template
Nissan Sentra Engine Diagram
Piaggio Wiring Harnes
Microsoft Excel Contact List Template Excel Free Download