Free Printables Online
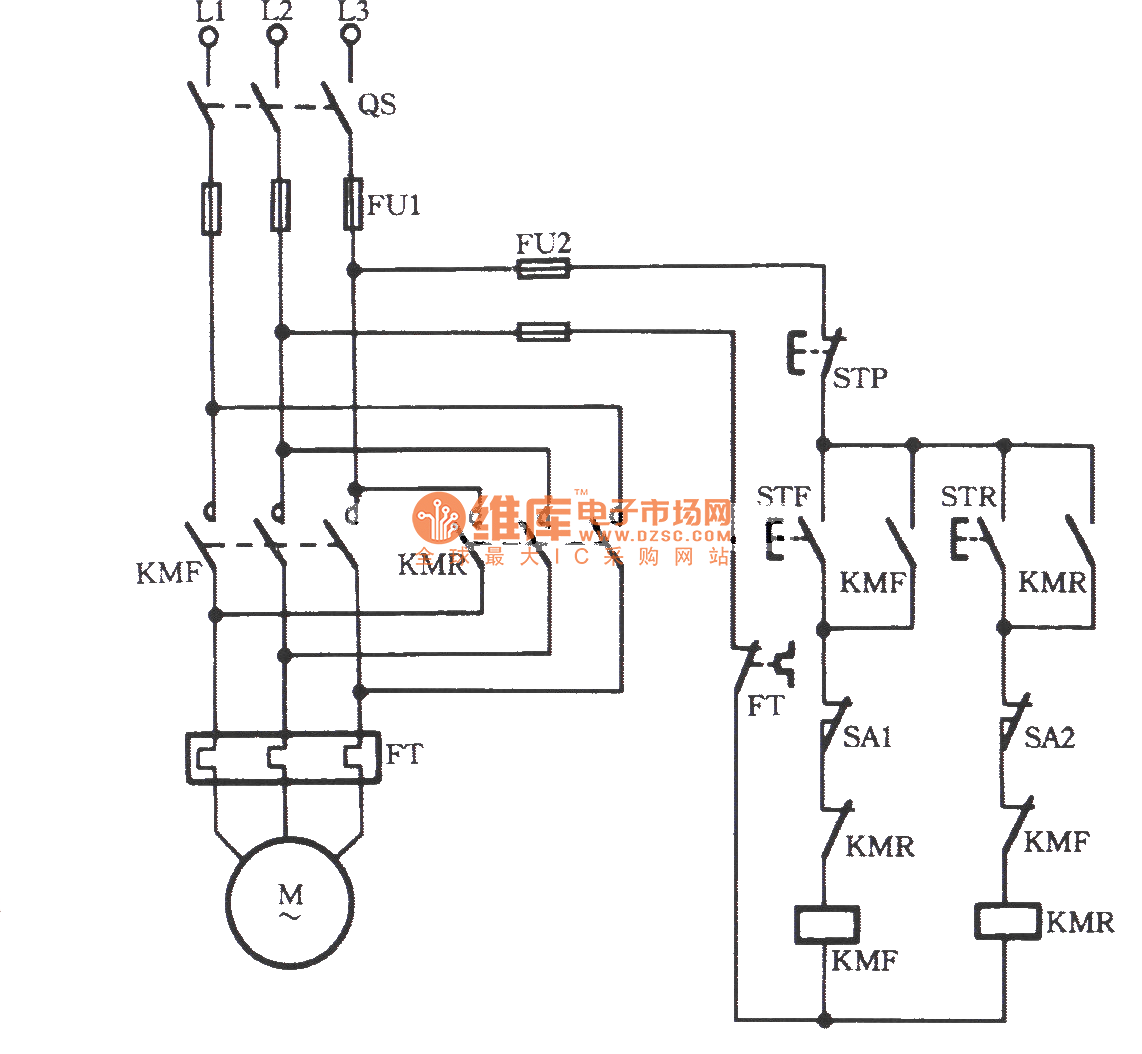
Schematic Diagram Forward Reverse Motor Control
my resume cv
manufacturer certificate of origin template
petty cash spreadsheet template free
non functional requirements examples sample
nissan rogue fuse diagram
paper box template free
pioneer deh p6400 diagram
mean median mode range worksheets with answers
Motor Control Circuits Ladder Logic Electronics Textbook
Forward Reverse 3 Phase Ac Motor Control Star Delta Wiring
Forward And Reverse Motor Starter Wiring Diagram Elec Eng
Motor Control Circuits Ladder Logic Electronics Textbook
Forward Reverse Motor Starter Forward And Reverse Control
Reverse Forward Motor Control Circuit Diagram For 3 Phase Hindi Urdu
Electrical Wiring Diagram Forward Reverse Motor Control And
3 Phase Motor Control Circuit Forward Reverse Tesla
Forward Reverse Dc Motor Control Diagram With Timer Ic
Electrical Wiring Diagram Forward Reverse Motor Control And
What Is A Forward Reversing Motor Control Circuit Quora
A How To Guide For The Power Circuit Of A Forward Reverse
Forward Reverse Starter Working Principle Reverse Forward Motor
Turning Round Phase Induction Motors Forward Reverse
Facility Electrical Control Circuits Wiki Odesie By Tech
Power Circuit Of A Star Delta Or Wye Delta Forward Reverse
Jogging Control Circuits
Forward And Reverse Motor Wiring Diagram Schematics Online
Facility Electrical Control Circuits Wiki Odesie By Tech
Solved The Following Diagram Is The Logic For A Motor Sta
Dc Motor Reversing Circuit Circuit Diagrams Schematics
Source :
pinterest.com
Popular Posts
Splash Page Template
Storyboard Template Powerpoint
Single Page Application Template Bootstrap
Special Event Contract Template
Sg Wiring Diagram For Guitar
Sample Of Organizational Structure In Business Plan
Small Business Start Up Template
Subject And Predicate Worksheet Pdf
Risk Analysis Matrix Template
Service License Agreement Template
Sales Representative Sample Commission Agreement
Sample Reference Letter For University Admission
Scary Flyer Templates
Rose Invitations Templates
Screenplay Proposal Template
Signature Authorization Form Sample
Sales And Marketing Resume Sample Pdf
Scholarship Acceptance Letter Template
Spreadsheet Trend Analysis Excel Template
Revised Proposal Email Sample
Sample Rental Agreement Pdf
Simple Resignation Letter Sample Singapore
Sample Business Plan Template For Restaurant
Strategic Planning Report Template
Subaru Engine Wiring Harness
Sample Training Needs Assessment Form
Sample Letter Of Authorization Letter To Claim Documents
Storage Space Lease Agreement Template
Sample Church Program Template
Star Motor Wiring Diagram
Sample Progress Report Letter To Boss
Senior Auditor Resume
Simple Budget Template For Young Adults
Sample Journal Article Summary Example
Sun Path Diagram 3d
Simple Family Tree Template For Kids With Siblings
Submittal Letter Sample
Sap Server Diagram
Sample Resume For Experienced Network Engineer
Stretching Coach Certification
Servsafe Certification Test
Specific Heat Worksheet Answers Chemistry
Sample Election Speeches For Students
Schedule Template Google Sheets
Sales Manager Resume Examples
Rj45 Wiring Diagram Standard
Sales Agent Contract Template Free
Software Change Request Form Template Word
Sample Loan Application Form Cooperative
Sample Revenue Sharing Agreement Template
Ruler Foot Templates
Star Wars Diorama Printable Backgrounds
Sample Agreement Letter For Business Partnership
Sample 60 Day Move Out Notice
Step And Repeat Backdrop Template