Free Printables Online
Suzuki Swift Wiring Diagram 2006
zenith motion sensor light wiring diagram
yellow certificate paper
youtube intro templates premiere pro
yamaha xs650 chopper wiring diagram
year curriculum planning template
ziprecruiter resume template
younique gift certificate
yearbook templates indesign
Suzuki Swift Wiring Diagram Guide And Manual
Suzuki Swift Head Unit Wiring Diagram Wiring Library
Suzuki Swift Wiring Diagram 2006 Wiring Diagram
Suzuki Swift Wiring Diagram 2006 Wiring Diagram
Suzuki Alto Wiring Diagram Wiring Diagram
Diagram Of Swift Schematics Online
Ignition Wiring Diagram For 1994 Suzuki Swift Wiring
Ecu Wiring Diagram 1992 Suzuki Swift Wiring Diagram
Suzuki Alto Wiring Diagram Wiring Diagram
1995 Suzuki Swift Wiring Diagram Manual Original
Suzuki Sx4 Fuse Box Diagram Kia Rio Fuse Box Diagram Suzuki
Suzuki Swift Wiring Diagrams 1994 Cars Of The United
94 Suzuki Swift Wiring Diagram Schematics Online
Suzuki Swift 2006 Horn Problem Automotive Wiring And
Suzuki Xl7 Stereo Wiring Schematics Online
Suzuki Swift Workshop Repair Manual 2004 To 2011 Pdf Engines
Suzuki Apv Fuse Box Technical Diagrams
Living With A Suzuki Swift How To Remove The Cd Player
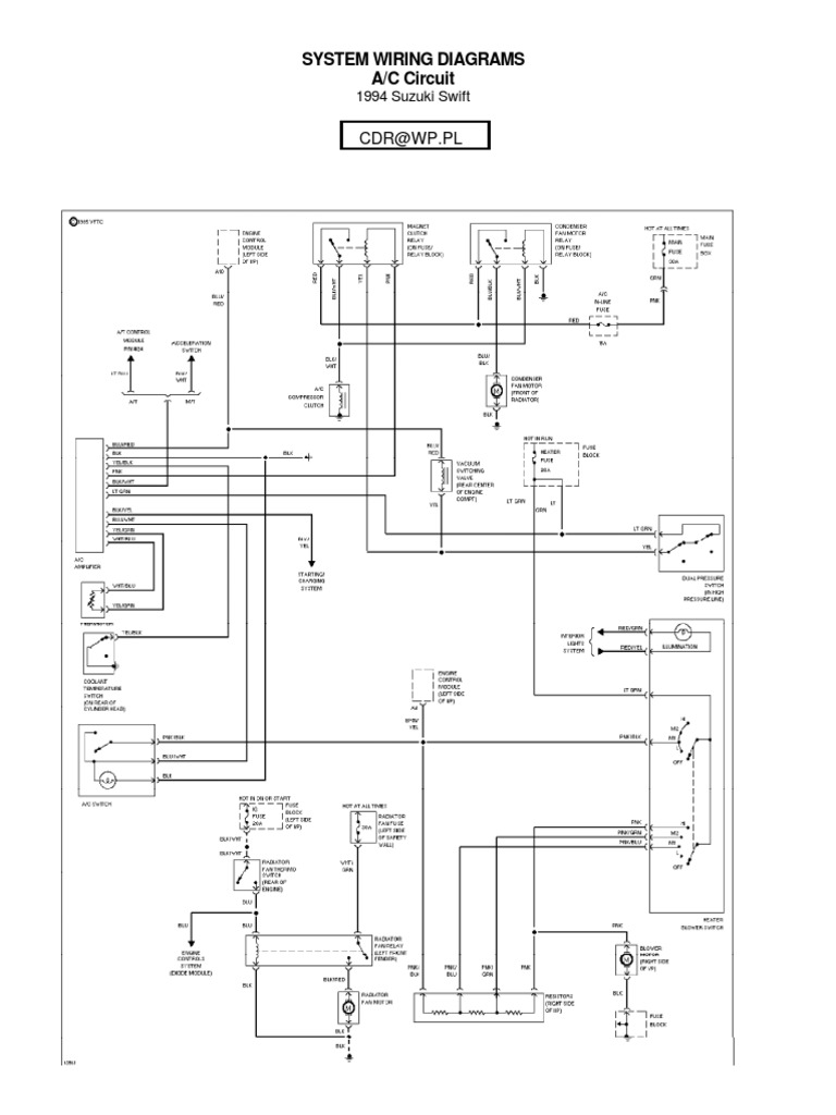
System Wiring Diagrams A C Circuit 1994 Suzuki Swift For X
Suzuki Xl7 Wiring Diagram Machine Learning
Suzuki Door Schematic Wiring Diagram
Source :
pinterest.com
Popular Posts
Yoga Certification Oklahoma
Yoga Certification Abroad
Yamaha Yzf600 Wiring Diagram
Youtube Channel Template
Yard Design Template
Z32 Wiring Diagram Harnes 2002 Nissan Altima
Yearly Meeting Schedule Template Excel
Zumba Certification Reviews
Yoga Resume Template
York Ga Furnace Wiring Diagram
Year End Financial Statement Template
Zoo Phonics Printables Free
Yearbook Collage Template
Zebra Printer Template
Yerf Dog Gy6 Wiring Harnes Diagram
Yith Woocommerce Email Templates
Zuora Invoice Template
Yellow Black Powerpoint Template
Zendesk Macro Templates
Zety Resume Cost
Zoho Sites Templates
Zola Wedding Templates
Yearbook Template Powerpoint
Year 2 Persuasive Writing Planning Template
Yoplait Yogurt Printable Coupons
Zombie Files Parallel Lines And Transversals Worksheet Answers
Zety Resume Builder Free Review
Zebra Gk420t Label Template
Z Fold Brochure Template
York A C Condenser Wiring Diagram
Youtube Channel Art Template
Ytd Profit And Loss Template
Yardstick Report Samples
Yearbook Format Template
Zenith Motion Sensor Light Wiring Diagram
Yamoto Atv Wiring Diagram Honda
Youth Group Newsletter Template
Yearbook Dedication Page Template Free
Young Life Tax Receipt
Zazzle Templates Download
Zoho Crm Templates
Zazzle Business Card Template
Zing Ear Ze 208d Wiring Diagram
Yearbook Ladder Template
Yelp Like Website Template
Yankees 2018 Printable Schedule
Youtube Website Template
Yj Jeep Fuel Diagram Wiring Schematic
York Wiring Diagram 125830
York Heat Pump Fuse Box
Year Schedule Template
Zex Dry Nitrou Kit Wiring Diagram
Youtube Intro Templates Premiere Pro
Yard Sign Design Template
Year 5 Narrative Writing Samples