Free Printables Online
Tube For Chrysler 300m Engine Diagram
brigg stratton wire diagram
church invitation templates
business card template blank
contact wiring diagram
coordinate grid worksheets pictures
birthday photo collage template psd
brake wiring harnes
contractor invoice template canada
5010225aa Genuine Chrysler Tube Fuel Supply
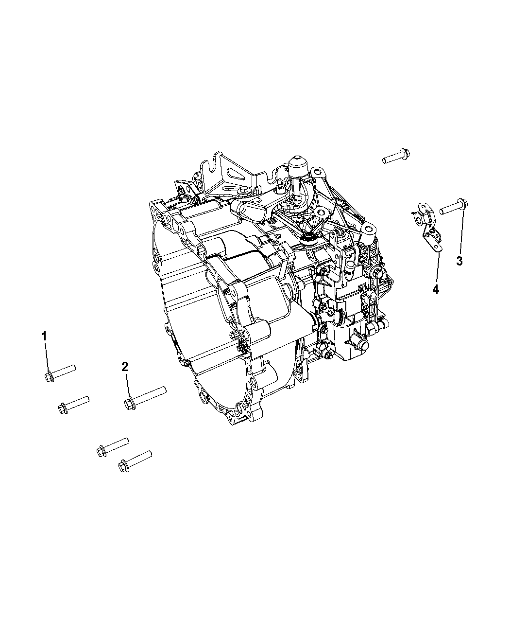
Mopar 4892346ac
Chrysler Engine Oil Cooler And Hoses Tubes 3 5l Egg
Mopar 5083037aa
Mopar 4792873ae
2008 Chrysler 300 Engine Oil Cooler Hoses Tubes
Connector Oil Filter
What To Do If Chrysler Water Outlet Housing Is Leaking
Mopar 4792863ab
Mopar 4698779ac
Can I Get A Diagram Layout For The Egr Valve System
Solved Where Is The Pcv Valve Located On A Chrysler 300 Fixya
Where Is The Egr Valve Located In A 2001 Chrysler 300m 3 5l
Chrysler Oem 04 05 Pacifica 3 5l V6 Emission System Egr Tube Plug 6034826
Mopar 4698776af
2001 Pt Cruiser Engine Diagram Catalogue Of Schemas
300m Engine Overheating Problem Identified Chrysler
Details About Chrysler Oem Water Pump Inlet Tube 4621491
How To Replace Egr Tube 05 10 Chrysler 300
Keeping The 3 5 Alive Service Notes For Chrysler S V6 Engine
Line Brake Lines
Source :
pinterest.com
Popular Posts
International Sales Contract Sample Doc
Invoice Template Word Free
Industrial Engineer Resume Template
Le Paul Custom Wiring Diagram
Hospital Discharge Paperwork Template
Hers Testing Certification
Job Application Standard Resume
Important Icon For Wiring Diagram
Madeline Hunter Template
Keynote Roadmap Template
Jiffy Lube Oil Change Receipt
Joomla Travel Template
Jcpenney Printable Coupons June 2019
Longacre Kill Switch Wiring Diagram
Inkjet Printable Vinyl Stickers
How To Write A General Resume
Kenworth Truck T800 Compressor Diagram
Keynote Marketing Plan Template
Hospital Patient Menu Template
It Project Plan Template Word
Holiday Application Letter Sample
Llc Bylaws Template Free
Magazine Advertising Contract Template
How To Build A Nursing Resume
Landlord Rent Receipt
Interpreter Certification Colorado
Indiana Merchant Certificate
Income Tax Certificate
Light Switch Wiring Diagram Multiple Series
Insulation Certificate Form
Investment Agreement Sample India
Lease Agreement Template Doc
Intro To Algebra Worksheets
How To Make A Work Plan Template
How Can I Make Money With Receipts
Kohler 15 Magnum Wiring Diagram
Ladder Air Handler Diagram
Job Requisition Template Form
Health Insurance Plans Worksheet Answers
Landscaping Estimate Template Free
Low Voltage Under Cab Lighting Wiring Diagram
Independent Contractor Agreement Texas Template
Hvac Certification Verification
Horse Of The Gi Tract Diagram
Hospice Interdisciplinary Team Meeting Template
Lease Assignment Agreement Template
Kindergarten Math Test Printable
Love Quotes Love Letter For Girlfriend Tagalog Sample
Jeep Cj5 Cluster Wiring
Kenworth Allison 2000 Series Wiring Diagram
Industrial Electrical Diagram
Honeywell Heat Cool Thermostat
How To Have A Strong Resume
Income And Expenditure Template Excel Uk
International 4300 Dt466 Fuse Box