Free Printables Online
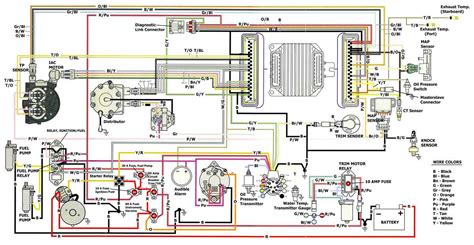
Volvo Evc Wiring Diagram
printable disney princess birthday cards
receipt cleaning service
printable editable menu planner template
product marketing plan template
program timeline template
printable construction job application template
porsche 964 fuse diagram
professional medical certifications
Volvo Penta Wiring Help Please Page 1 Iboats Boating
Solved Regal 2450 Volvo Penta 5 7 Gxi Ignition Switch
Yacht Devices News Engine Gateway Now Support Volvo Penta
Smart Regulator Interfering With Volvo Penta Motormanagement
2000 Volvo Penta Wiring Diagram Wiring Schematic Diagram
Volvo Penta Exploded View Schematic Engine Harness 5 0
Volvo Penta Electrical System Electrical System A D1 13
Smart Regulator Interfering With Volvo Penta Motormanagement
Volvo Penta Exploded View Schematic Electric System
Volvo Penta Instrument Panel Wiring Diagram Free Wiring
Installation Procedure Evc E2 Volvo Penta Ips Twin
Volvo Penta Electrical System Evc Electrical System D1 D2
Eci 100 Engine Interfacing
Volvo Penta Ips Triple Haisma Scheeps
Volvo Penta Instrument Panel Wiring Diagram Free Wiring
Click On The Picture To Download Volvo Car Electronic
Volvo Installation Manual 7746523 Ny
Volvo Penta Tilt Trim Not Working Pump Works When Wired
Volvo Penta Wiring Help Please Page 1 Iboats Boating
Volvo Penta Wiring Schematics Epub Pdf
Wrg 5324 Volvo Penta D2 55 Wiring Diagram
Source :
pinterest.com
Popular Posts
Tracker Wiring Diagram Tachometer
Word Calendar Template Monthly
Thank You Letter Template Kindergarten
Voter Registration Printable Form
Wiring Diagram For Brake
Website Workflow Template
Tobacco In The Colonies Worksheet Answers
Wiring Diagram For 2007 Jeep Liberty
Webex Meeting Templates
Wiring Diagram 36v
Vinyl Certificate Holders
Wiring Diagram For 1995 Mazda B4000
Word Software Change Request Template
Template Ticket Drawing
Weekly Chore Chart Template Word Free
Trampoline Park Free Printable Jump Birthday Invitations
Whale Baby Shower Invitation Template
Volvo Xc90 Fuse Box
Yamaha 90 Hp Wiring Diagram
Template Collage Maker Online
Tbs Unify Pro32 Nano 5g8 Vtx
Travel Themed Wedding Invitation Templates
Unbounce Landing Page Templates
Two Gang One Way Switch Symbol
Turf Management Certificate
Workshop Invitation Template
Texas Series Llc Operating Agreement Template
Waxing Certification Florida
Totally Free Resume Templates
Troop Meeting Plan Template
Visio Org Chart Template Free
What Makes A Strong Resume
Uk Rj45 Wiring Standard
Yamaha Crypton R 110cc Wiring Diagram
Twitter After Effects Template
Wiring 3 Way Switch With Multiple Lights
Turn Signal Wiring Diagram Harley
Wacky Wednesday Printables
Thailand Padi Certification
Written Warning Templates For Employees
Tender Sample
Sworn Affidavit Affidavit Sample Philippines
Wiring Diagram For Lexu Is200 Stereo
Technology Website Templates Wordpress
Tracker Wiring Diagram
Topographic Map Worksheet 4th Grade
Tree Diagram And Sample Space
Tstat Wiring Diagram
Tabc Certification Valid
Trailer Tail Light Diagram
Trailer Lights Diagram 4 Pin
Word Document Free Flyer Templates Word
Three Fold Brochure Design Template
What Should A Resume For College Look Like
Wedding Day Itinerary Template Excel