Free Printables Online
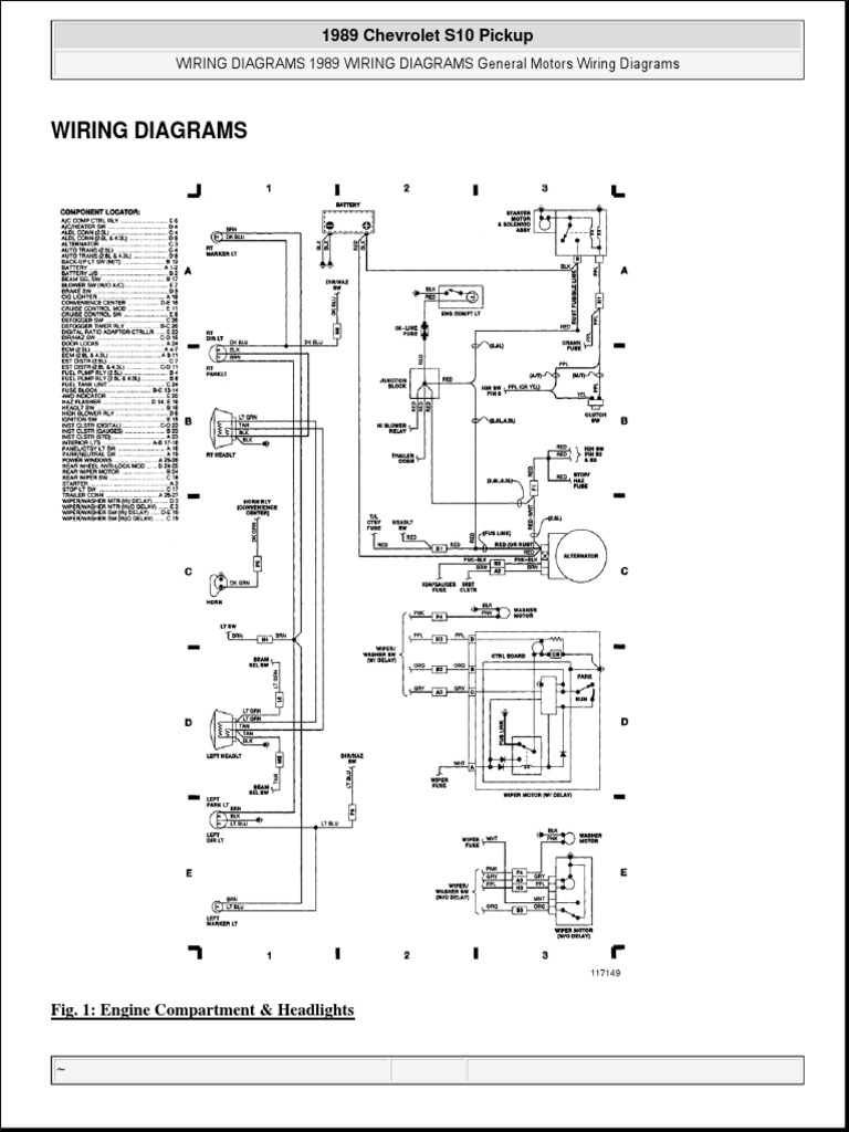
1989 S10 Pickup Wiring Diagram
post my resume for free
reading certificate programs
printable auction bid sheets
project management project status report sample
preschool weekly report template
printable driving directions google
professional invitation email template
radio wiring diagram g35
1989 Chevrolet S10 Pickup Wiring Diagrams Wiring Diagrams
Repair Guides
Repair Guides
1989 Chevy S 10 Pickup Blazer Wiring Diagram Manual Original
Chevrolet S10 Wiring Diagram Wiring Diagram
1989 Chevy S10 Tail Light Wiring Wiring Diagram
S10 4 Wire Relay Diagram Catalogue Of Schemas
1989 Chevy S10 2 5l 5 Spd Fuel Pump Doesn T Engage When
1989 Chevy Blazer Wiring Diagram Wiring Diagram
1989 Chevrolet Truck Wiring Diagram Wiring Diagram Third Level
1987 Chevy Truck Fuse Box Schematics Online
Fuse Box Diagram 1985 S10 Blazer Fixya
1990 Chevy C K Pickup Wiring Diagram Manual Original
2001 S10 Air Conditioner Wiring Diagram Wiring Diagram
1996 Gmc Sierra Wiring Diagram Schematics Online
1986 Chevy S 10 Timing Marks Can T Be Aligned
1989 Chevrolet S 10 Pickup Blazer Repair Shop Manual Original
Chevrolet Manual Esquemas Electricos Chevrolet S 10 Pdf
85 Blazer Wiring Diagram Wiring Diagrams
Wrg 7799 1989 S10 Pickup Wiring Diagram
Click Image To See An Enlarged View Truck Wiring Chevy
Source :
pinterest.com
Popular Posts
Sample Letter Asking For Letter Of Recommendation
Starter Switch Wiring Diagram For Ford E350 Super Duty
Sample Job Description Template Pdf
Sign Up Sheet Template Word Doc
Shareholder Agreements
Spa Party Invitations Templates Free
Simple Basic Resume Format Word
Skype Meeting Invitation Email Sample
Sample Resume And Cover Letter
Stcc Certificate Programs
Siemens Plc Certification
Sample Job Appointment Letter Format In Word
Simplifying Radicals Worksheet Algebra 2
Sample Nursing Charting Narrative
Rheem Ac Relay Wiring Diagram
Security Plus Resume
Simple Easy Horse Template
Sample Teacher Appreciation Week Letter To Parents
Small Circle Template
Sample Reference Letter For Student Teacher
Smartart Templates For Powerpoint Free Download
Software Engineer Resume Template Microsoft Word Download Free
Scissor Lift Certification
School Principal Resume Format
Super Hero Kids Mask Template
Subaru Auto Dimming Mirror Wiring Diagram
Rockvale Outlet Coupons Printable
Sales Sheet Templates
Support Relationship Letter For Visa Sample
Scope Of Work Template Excel
Sample Organogram Of An Ngo
Sample Appeal Letter For Long Term Disability Denial
Sennheiser Headset Wiring Diagram
Splunk Certification Dumps
Sample Confirmation Of Appointment Letter
Self Assessment Worksheet
Snowmobile Wrap Templates
Structural Inspector Certification
Split Circuit Wiring Diagram
Stl Personal Property Tax Receipt
Sample Thank You Email For Interview Invitation
Square Register Compatible Receipt Printers
Sample Thank You Letter For Scholarship
Roblox Designing Template Shirt
Sample Hardship Letter For Medical Bills
Soil Testing Certification Classes
Stereo Wiring Diagram For 2002 Bmw 530i
Sample Verbal Warning Letter For Absenteeism
Strength Conditioning Certification
Salvation Army Donation Receipt Template
Sample Ce Certificate Of Conformity
Sprite Wiring Diagram
Scuba Certification Ct
Simple Operating Agreement Template
Sample Travel Brochure Pdf