Free Printables Online
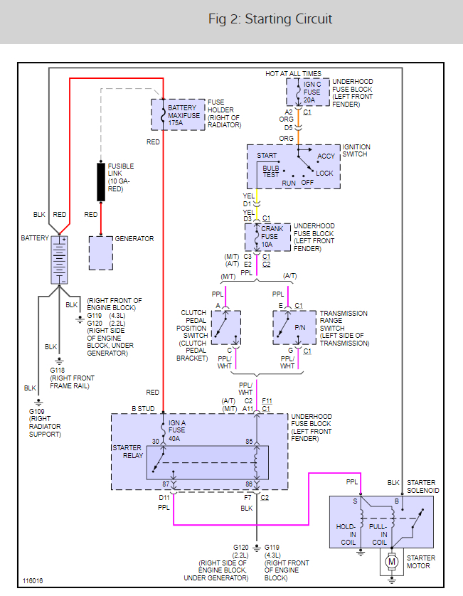
Chevy S10 2 2l Engine Block Diagram
printable coloring sheets for girls
printable 2016 tax forms
printable weekly payslip template
polka dot template free
producer artist contract template
professional development plan template for administrative assistants
protein synthesis worksheet answer key pdf
rental car agreement sample
S10 2 Engine Diagram Wiring Schematic Diagram
General Motors 122 Engine Wikipedia
1995 Chevy S10 Engine Diagram Wiring Diagram
2003 Chevy 2 2l Engine Diagram Wiring Diagram
Starter For Chevy S10 Wire Harness Wiring Diagram
2006 Chevy S10
0996b43f80232a6b In 2000 Chevy S10 Wiring Diagram Diagram
How To Replace Head Gasket 1994 2004 Chevy S10 Sonoma 2 2l
Complete Engines For Chevrolet S10 For Sale Ebay
09 09 S10 2 2l Engine Rebuild
Chevy S10 2 2l Engine Block Diagram Wiring Diagram
2006 Chevy S10
Engine Won T Crank 1999 Chevy S10 Ls 2 2l 2wd Starting
Chevrolet S10 Engine Swap With A Cavalier Sunfire 2 2
1995 Chevy S10 Engine Diagram Wiring Diagram
Repair Guides
Engine Diagram 96 S10 2 2l Wiring Diagram
Starter Wiring Diagram Electrical Problem 4 Cyl Two Wheel
Need 2001 4 3 Ecm Pinout Diagram Blazer Forum Chevy
Rebuilding The Gm Chevy 2 2l Engine
Chevrolet S10 Repair Manual 1990 2004
Source :
pinterest.com
Popular Posts
Mpa Certificate Programs
Mule 2510 Wiring Diagram
Place Value Template
Obituary Template Sample Obituaries For Mom
Meeting Action Items Template Excel
Marriage Certificate Frame
Online Cad Certification
Pdf Workout Journal Template
O Reilly Coupons Printable
Monthly Workout Log Template
Personal Finance Personal Balance Sheet Template
Manufactured Home Fuse Box
Piano Note Naming Worksheets
Patient Treatment Plan Template
Manual Labor Resume
Medical Assistant With No Experience Resume
Nonprofit Development Certificate
Mitosis And Meiosis Worksheet Answers Key
Pdf Blank Free Printable Lease Agreement
Pdf Printable Avid Cornell Notes Template
Obituary Template Download
Notary Public Sample Letter
New Supplier Form Template
Pinewood Derby Templates Printable
Naming Chemical Compounds Worksheet Key
Npn Proximity Sensor Wiring Diagram
Msa Certification Medical
Mbe Business Certification
Monthly Preschool Newsletter Template
Pig Receipt App
Paper Bag Puppet Template Printable
Nema 6 20p Wiring
Personal Budget Template Free
Microsoft Excel Project Status Report Template Excel Free Download
Planned Vs Actual Gantt Chart In Excel Template
Meeting Minutes Template Word
Microsoft Word Downloadable Microsoft Word Free Invoice Template
Mta Security Certification
Music Festival Poster Template
Old Carrier Wiring Diagram
Maxwell House K Cup Coupons Printable
Mos Car Alarm Wiring Diagram
Parking Violation Template
Peugeot 1007 Wiring Diagram
Office Lease Template Free
Polari Ranger 900 Wiring Diagram
Manychat Templates For Sale
Pharmaceutical Resume Objective
Odb2 Connector To Usb Wiring Diagram
Mileage Report Template Excel
Nutritionist Certification Florida
Online Resume Download
Parker Racor Fuel Filter Water Separator
Meow Mix Coupon Printable
Map Brochure Template