Free Printables Online
Wiring Diagram For 12v Indicator
career path ppt template free
centrum vitamin coupons printable
blank printable employee blank printable id card template
caravan towing socket wiring diagram
business review template ppt free
black bear polar bear venn diagram
blank business plan template
biofreeze coupons printable 2019
Classic Bike Wiring Diagrams
Motorcycle Turn Signal Wiring Diagram Tamahuproject Org At
Wiring Diagram For 12v Indicators Cool Wiring Diagrams
Car Indicator Wiring Diagram Wiring Diagram
Flashers And Hazards
Wiring Diagram For Indicators Wiring Diagrams Stars
Battery Charging Indicator Circuit Electronic Circuits And
Wiring Free 12v Battery Level Indicator Circuit Led Bargraph
3 Pin Relay Wiring Diagram Wiring Diagram
Model T Ford Forum Turn Signal Diagram Parts
How To Wire Lights Switches In A Diy Camper Van Electrical
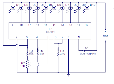
Only Wiring And Diagram Lm3914 12v Battery Level Indicator
Simple Car Battery Charger And Indicator Circuit Diagram
Led Indicator Light Wiring Diagram Wiring Schematic Diagram
12v Led Flasher Relay Wiring Wiring Diagram
Diy Water Level Indicator Snr Electronics Blog
Blue Ox Wiring Diagram Wiring Library
74hc147 Circuits Wiring Diagram Wiring Library
Wiring Diagram For Led Indicator Light Wiring Schematic
Automotive Motorcycle Hazard Light Circuit Design
Simple Battery Charger Circuit And Battery Level Indicator
Source :
pinterest.com
Popular Posts
You Re A Lifesaver Printable
Yoga Certification Retreats
Ytd Payroll Report Sample
Yearly Home Budget Excel Template
Yamaha Xs650 Engine Diagram
Yoga Coach Certification
Your Order Is Ready For Pick Up Template
Zumba Certification Levels
Yearbook Advertisement Template
York Heat Pump Fuse Box
Youth Ministry Church Calendar Template
Zone Valve Wiring Schematic
Yanmar 3gm30 Specification
Yoga Certification Az
Yearly 2019 Calendar Template Excel
Zebra Gk420d Label Template
Zety Resume Reviews
Zombie Light Switch Wiring Diagram
Zebra Printer Template
Zendesk Guide Templates
Yearly Vacation Calendar Template
Yeti Cooler Wrap Template
York Chiller Log Sheet Sample
Yoga Class Sequence Template
Your Price Is Too High Response Email Template
Yearbook Dedication Page Template Free
Yearly Calendar 2018 Template Excel
Zola Wedding Website Templates
York Hvac Wiring Diagram Ga
Zero Based Budgeting Template
Yearly Training Calendar Template Excel
Youtube Channel Art Size Template Png
Yearbook Quote Template
Youtube Beat Video Template
Yearbook Template Powerpoint
Zumba Gift Certificate Template
Zero Hour Disaster At Chernobyl Worksheet Pdf
Zongshen 250cc Wiring Harnes
Yj Jeep Hardtop Wiring
Zx9r Red
Yearbook Dedication Page Template
Youtube Template Download
Yamaha Yz 125 Part List
Year Long Planning Template
Yearly Timesheet Template Excel
Yearbook Templates Indesign
Yoga Certification Nj
Yard Yahtzee Dice Template
Youtube Cover Art Template
Yearbook Template Word
Youtube Video Template
Yard Machine Push Mower Diagram
Yamoto Atv Wiring Diagram Honda
Yoga Liability Waiver Form Template
Yearbook Template Publisher