Free Printables Online
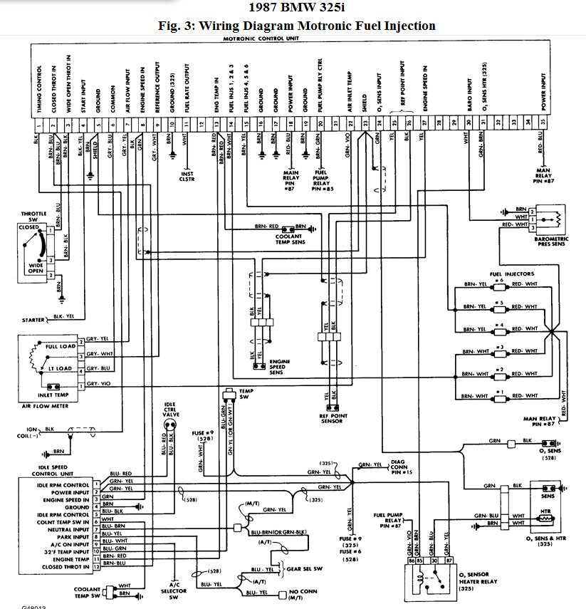
Bmw 325 Wiring Diagram
2002 chevy trailer wiring to 7 way plug
2003 toyotum celica engine diagram
2002 acura mdx fuse box
1997 isuzu rodeo wiring diagram
1997 tran am stereo wiring diagram
2004 chevy cavalier starter wiring diagram
2003 gmc sierra 2500hd radio wiring diagram
2001 jeep wiring harnes
Bmw 325i E30 Wiring Diagram Hot Rods Bmw E30 325i E30 Bmw
1992 Bmw 325i Wiring Diagram Wiring Diagram
2003 Bmw 325i Radio Wiring Wiring Schematic Diagram 69
New Bmw E46 318i Ecu Wiring Diagram Diagramsample
Bmw 325 Stereo Wiring Diagram My Pro Street
1992 Bmw 325i Wiring Diagram Wiring Diagram
I Have A 1987 Bmw 325i Car Ran Will Till Battier When Dead
Bmw E46 325i Wiring Diagram Fuse Box On A Forward Diagrams
Bmw 325 Stereo Wiring Diagram My Pro Street
Bmw M54 Engine Wire Harness Diagram 525i 325 X5 Part 2
Color Wiring Diagram For Bmw 318is 325i 325ix M3 1990 E30 11 X 17 X 13 Pages Ebay
Electrinic And Circuit 1986 Bmw 325 Wiring Diagram
Bmw 325i Engine Wiring Diagrams Catalogue Of Schemas
1988 Bmw 325i Convertible Electrical Troubleshooting Manual
Details About 1985 Bmw 325e 318i Electrical Troubleshooting Manual Wiring Diagrams 325 E 318 I
Where Is The Ignition Control Unit In The Bmw 325 I 1987
Bmw E39 Stereo Wiring Diagram Wiring Schematic Diagram
Some Wiring Diagrams For The Members Bmw 3 Series E90 E92
2003 Bmw 325i Radio Wiring Wiring Schematic Diagram 69
Bmw E30 Wiring Diagram
1994 Bmw 325i Wiring Diagram Wiring Diagram All
Source :
pinterest.com
Popular Posts
Yearly 2019 Calendar Template Excel
Yearly Budget Template Free
Zazzle Create Template
Yoga Certification Classes Near Me
Yearly Roadmap Template
Year 5 Narrative Writing Samples
Yelp Like Website Template
Yoga Certification Memphis
Youtube Channel Art Template Free
Zebra Stencil Printable
Yard Machine Push Mower Diagram
Youtube Intro Templates No Text
Young Life Tax Receipt
Yoga Class Sequence Template
Yanmar Ignition Wiring Diagram
Ymca Certificate Courses
Yoga Certification Austin
Youtube Template Download
Zine Printing Template
Ziprecruiter Resume Search
Yamaha Xs650 Engine Diagram
Ymca Ace Certification
Yeti Cooler Wrap Template
Yes No Flowchart Template
Youtube Video Template
Yamaha Xs650 Wiring Harnes Diagram
Yoga Certification Tampa
Yearly Schedule Of Events Template 2019
Youtube Beat Video Template
Yellow Certificate Paper
Yankee 960 Turn Signal Wiring Diagram
Yearbook Format Template
Zebra Printer Template
Youth Ministry Church Calendar Template
Zero Based Budgeting Template
Youtube Banner Template No Text
Year End Balance Sheet Template Excel
Zombie Math Worksheets
Yearbook Template Powerpoint
Zumba Instructor Resume Sample
Z400 Wiring Diagram
York Wiring Diagram 125830
Yoga Alliance Certification
York Ac Schematic Df 072
Yj Brake Light Wiring Diagram
Yoga Schedule Template
Youth Nutrition Certification
Z32 Tt Vacuum Diagram
York Ga Furnace Control Board Wiring Diagram
Your Quote Blank Template
Yearly Content Calendar Template
Ziprecruiter Resume Database
Yoga Certification Abroad
Zoo Invitation Template
Yearly Vacation Calendar Template